Diodes Incorporated AP64352SP-EVM Evaluierungsboard
Das Diodes Incorporated AP64352SP-EVM Evaluierungsboard evaluiert den AP64352 synchronen 3,5-A-Abwärtswandler. Dieser Wandler ist vollständig mit einem 80-mΩ -High-Side-Leistungs-MOSFET und einem 500-mΩ -Low-Side-Leistungs-MOSFET integriert, um eine DC/DC-Abwärtswandlung mit hohem Wirkungsgrad zu bieten. Das AP64352SP-EVM Board wird in einem Temperaturbereich von -40°C bis 85°C und einem Versorgungsspannungsbereich von 3,8 V bis 40 V betrieben. Dieses Evaluierungsboard bietet einen Dauerausgangsstrom von 3,5 A. Das AP64352SP-EVM Board eignet sich hervorragend für den Einsatz in Home-Audio, Netzwerksystemen, Unterhaltungselektronik, optischer Kommunikation, Netzwerksystemen und Universal-Punktlast.Merkmale
- Evaluiert den AP64352 synchronen Abwärtswandler
- Dauerausgangsstrom: 3,5 A
- Betriebstemperaturbereich: -40 °C bis +85 °C
- Versorgungsspannungsbereich: 3,8 V bis 40 V
Applikationen
- Verteilte Bus-Stromversorgungen: 5 V, 12 V und 24 V
- Weißware und Küchenkleingeräte
- Home-Audiosysteme
- Netzwerksysteme
- Unterhaltungselektronik
- Kabellose Elektrowerkzeuge
- Optische Kommunikations- und Netzwerksysteme
- Universal-Punktlast
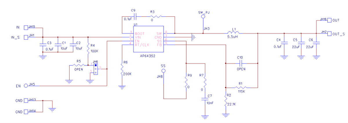
Schaltplan-Diagramm
Veröffentlichungsdatum: 2020-02-11
| Aktualisiert: 2024-07-24
