Diodes Incorporated LXB0104Q Bidirektionale Pegelwandler für Fahrzeuganwendungen
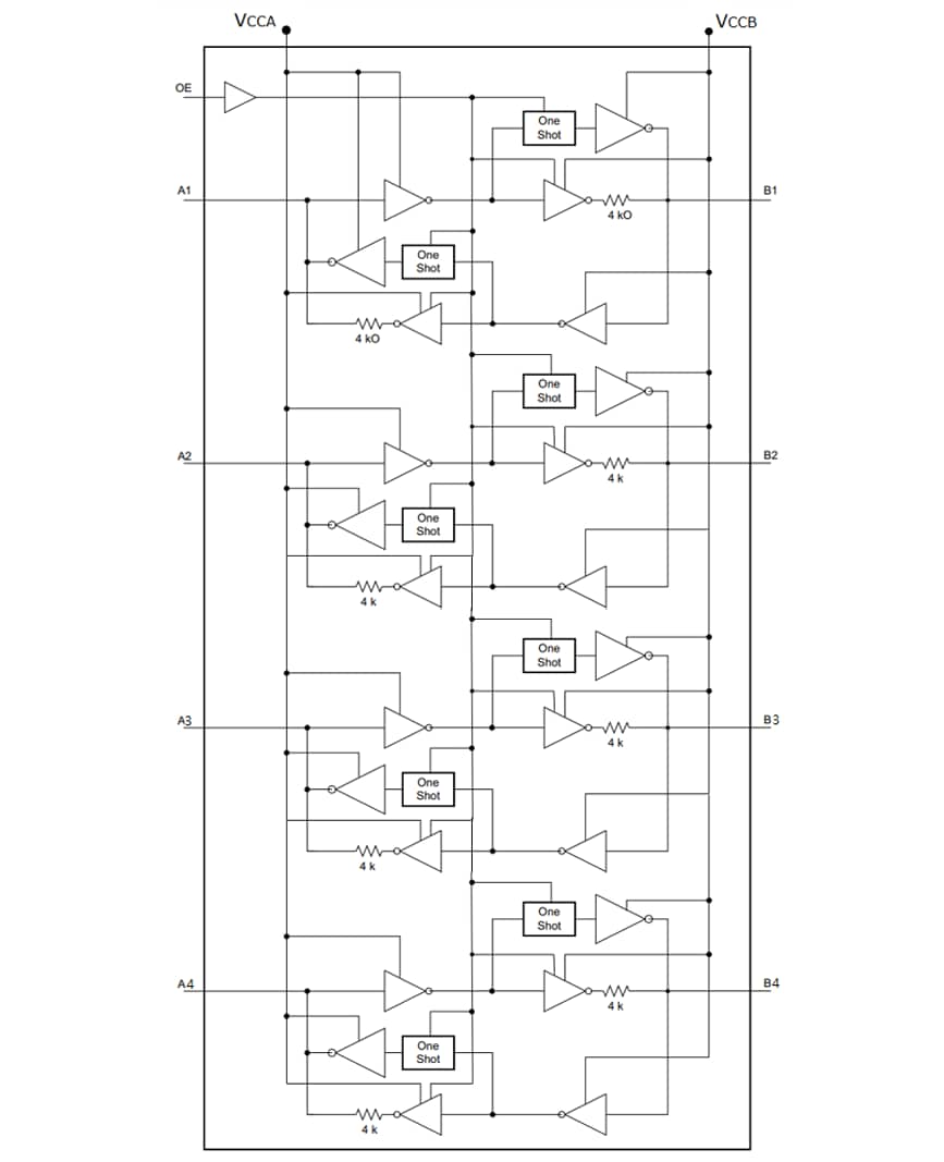
LXB0104Q 4-Bit-Bidirektionale Pegelwandler für Fahrzeuganwendungen von Diodes Incorporated kombinieren eine gepufferte Architektur und Flankenraten-Beschleuniger (One-Shots), um die Geschwindigkeit bis 100 MBit/s bei 3,3 V bis 5,0 V Umsetzung zu verbessern. Der LXB0104Q ist ein universeller Pegelumsetzer, wobei Anschluss A von 1,2 V bis 3,6 V (VCCA) und Anschluss B von 1,65 V bis 5,5 V (VCCB) betrieben wird. Die Pegelumsetzung ermöglicht eine universelle bidirektionale Niederspannungsumsetzung zwischen beliebigen Spannungsknoten von 1,2 V, 1,5 V, 1,8 V, 2,5 V, 3,3 V und 5 V.Die bidirektionalen Pegelwandler LXB0104Q von Diodes Inc. sind in einem TSSOP-14-Gehäuse und einem 1,7 mm x 2,0 mm x 0,55 mm großen U-QFN1720-12-Gehäuse (Typ CJ) erhältlich, wobei U-QFN1720-12 (Typ CJ) ist. Die Gehäusegröße ist ideal für kleine, tragbare elektronische Geräte, Push-Pull-Applikationen und Umgebungen mit beschränktem Platz. Die Betriebstemperatur ist für den Bereich von -40 °C bis +125 °C spezifiziert.
Merkmale
- Bidirektionale Spannungsumsetzung für Push-Pull-Applikationen
- Nach AEC-Q100 Klasse 1 qualifiziert
- Ausgelegt für -40 °C bis +125 °C
- Umsetzung nach oben und unten über den gesamten Temperaturbereich
- Maximale Datenrate ≤110 MBit/s, CL = 15 pF, 3,3 V bis 5,0 V
- Maximale Datenrate ≤ 65 MBit/s, CL = 15 pF, 1,8 V bis 3,3 V
- Maximale Datenrate ≤ 30 MBit/s, CL = 15 pF, 1,2 V bis 1,8 V
- IOFF-Schaltung bietet einen Betriebsmodus mit teilweiser Abschaltung
- Der OE-Pin unterstützt eine hohe Impedanz zwischen den Anschlüssen
- Automatische Ausrichtung, kein Steuerpin erforderlich
- ESD-Schutz überschreitet JESD 22
- 7000 V HBM (Anschluss B), 3000 V HBM (Anschluss A)
- 1500 V CDM (C101)
- Latchup übersteigt 100 mA gemäß JESD 17
- Bleifreie Ausführung; RoHS-konform
- Halogen- und antimonfreies Bauteil aus „Green”-Material
- Für Fahrzeuganwendungen, die eine spezifische Änderungssteuerung erfordern
Applikationen
- GPIO, SPI, SDIO, UART
- Digitale Kombiinstrumente für Fahrzeuge
- Infotainmentsysteme für Fahrzeuge
- Fahrerassistenzsysteme für Fahrzeuge
- Telematiksysteme für Fahrzeuge
Blockdiagramm
Kontaktzuweisungen
Veröffentlichungsdatum: 2025-10-21
| Aktualisiert: 2025-11-05
