Diodes Incorporated PCI Express (PCIe) Taktpuffer
Diodes Inc. / Pericom PCI Express (PCIe) Taktpuffer sind stromsparende PCIe-Puffer mit On-Chip-Anschluss und 4, 6 und 8 Ausgängen. Diese PCIe-Puffer enthalten einen On-Chip-Anschluss, der externe Anschlusswiderstände überflüssig macht. Die PCIe-Taktpuffer unterstützen Ethernet-Applikationen mit 50 MHz oder 125 MHz über SMBus. Diese Taktpuffer bieten verschiedene Optionen wie unterschiedliche Anstiegsrate und Amplitude über Band-Pins oder SMBUS. Das ermöglicht den Benutzern, das Bauelement einfach zu konfigurieren, um die optimale Leistung für ihre einzelnen Boards zu erhalten. Diese Puffer bieten auch eine umfangreiche Auswahl von Taktpuffern, die von einer unterschiedlichen Anzahl von Ausgängen bis zu null Verzögerungen reichen.Merkmale
- Maximale Versorgungsspannung von 3,6 V
- Hochgeschwindigkeits-Stromsteuerungslogikeingang (HCSL): 100 MHz, unterstützt auch 50 MHz oder 125 MHz über SMBus
- 4, 6 oder 8 differentielle stromsparende HCSL-Ausgänge mit On-Chip-Anschluss
- Individuelle Ausgangsfreigabe
- Programmierbare Anstiegsgeschwindigkeit und Ausgangsamplitude für jeden Ausgang
- Differential-Ausgänge werden solange blockiert bis der PLL verriegelt ist
- Bandkontakte oder SMBus zur Konfiguration
- 3,3 V tolerante SMBus-Schnittstellenunterstützung
- Ausgänge mit sehr geringem Jitter:
- Weniger als 50 ps Differential-Jitter zwischen Zyklen
- Weniger als 60 ps Differential-Versatz zwischen Ausgängen
- Mit PCIe Gen. 1/Gen. 2/Gen. 3/ Gen. 4 konform
- Gehäuse (bleifrei und umweltfreundlich):
- 32-Pin-TQFN-Gehäuse von 5 mm x 5 mm
- 16-Pin-TQFN
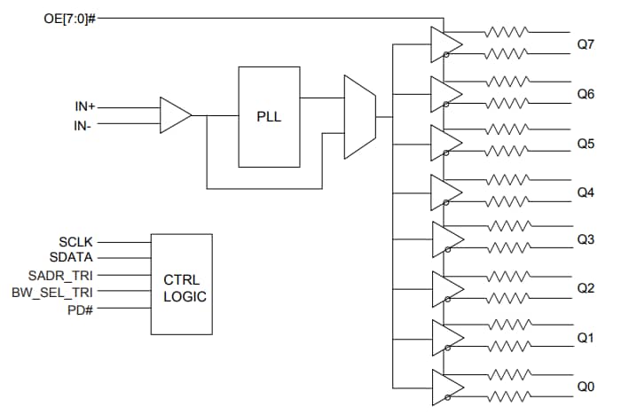
PCIe-Taktpuffer mit 8 Ausgängen - Blockdiagramm
View Results ( 4 ) Page
| Teilnummer | Datenblatt | Beschreibung | Anzahl der Ausgänge | Verzögerungszeit - Max. | Max. Ausgangsfrequenz |
|---|---|---|---|---|---|
| PI6CB18401ZHIEX | ![]() |
Taktsignalpuffer Taktsignalpuffer W-QFN5050-32 T&R 2.5K | 4 Output | 4.5 ns | 100 MHz |
| PI6C5946004ZHIEX | ![]() |
Taktsignalpuffer 6GHz/12Gbps Clock Data Fanout Buffer | 4 Output | 400 ps | 6 GHz |
| PI6CB18601ZLAIEX | ![]() |
Taktsignalpuffer Taktsignalpuffer W-QFN5050-40 T&R 3.5K | 6 Output | 4.5 ns | 100 MHz |
| PI6CB18801ZLIEX | ![]() |
Taktsignalpuffer Taktsignalpuffer V-QFN6060-48 T&R 3K | 8 Output | 4.5 ns | 100 MHz |
Veröffentlichungsdatum: 2018-08-31
| Aktualisiert: 2022-09-30

