Diodes Incorporated PI6CG334Q PCIe-Taktgeber der 6. Gen.
Der PI6CG334Q PCIe-Taktgeber der 6. Gen. von Diodes Incorporated ist ein Bauelement mit vier Ausgängen, das eine 25 MHz Quarz- oder CMOS-Referenz als Eingang verwendet, um 100 MHz stromsparende Differential-HCSL-Ausgänge mit On-Chip-Anschlüssen zu erzeugen. Ein zusätzlicher gepufferter Referenzausgang wird als rauscharme Referenz für andere Schaltungen bereitgestellt. Mit dem proprietären PLL-design von Diodes erzielt der PI6CG334Q einen sehr geringen Jitter, der die Anforderungen von PCIe Gen 1/Gen 2/Gen 3/Gen 4/Gen 5/Gen 6 erfüllt. Der Taktgeber verfügt außerdem über verschiedene Optionen (verschiedene Anstiegsraten und Amplitude über SMBus), so dass Benutzer das Bauelement einfach konfigurieren können, um die optimierte Leistung für einzelne Boards zu erhalten. Wählbare Frequenzspreizungsoptionen werden ebenfalls unterstützt, um EMI für verschiedene Fahrzeuganwendungen zu reduzieren.Merkmale
- 3 V Versorgungsspannung
- Quarz-/CMOS-Eingang von 25 MHz
- 4 x stromsparende Differential-HCSL-Ausgänge mit On-Chip-Anschluss
- Individuelle Ausgangsfreigabe
- Referenz-CMOS-Ausgang
- Programmierbare Anstiegsrate und Ausgangsamplitude für jeden Ausgang
- Differential-Ausgänge werden blockiert, bis der PLL verriegelt ist
- Auswählbare 0 %, -0,25 % oder -0,5 % Spreizung an differentiellen Ausgängen
- Bandpins oder SMBus zur Bauform
- <50 ps Differentieller Versatz zwischen Ausgängen
- Ausgänge mit sehr geringem Jitter
- <0,04 ps PCIe 6,0 Gleichtakt-Jitter (RMS)
- <50ps Differential-Jitter zwischen Zyklen
- Konform mit PCIe Gen 1/Gen 2/Gen 3/Gen 4/Gen 5/Gen 6
- Betriebstemperaturbereich: -40 °C bis +105 °C
- AECQ-Klasse 2-qualifiziert
- 32-Kontakt, 5 mm x 5 mm WQFN-Gehäuse (ZHW)
- Vollständig RoHs-konform und bleifrei
- Halogen- und antimonfreies umweltfreundliches Bauteil
Technische Daten
- 3,135 V bis 3,465 V Stromversorgungsbereich
- 25 mA maximaler analoger Versorgungsstrom, 22 mA typisch
- 20 mA maximaler Versorgungsstrom, 17 mA typisch
- 31 mA maximaler IO-Versorgungsstrom, 27 mA typisch
- Wake-on-LAN-Strom
- 1 mA maximale analoge Stromversorgung, 0,5 mA typisch
- 6 mA maximale Stromversorgung, 3 mA typisch
- 2 mA maximale Stromversorgung für Ausgänge, 1 mA typisch
- Abschaltstrom
- 1 mA maximales analoges Netzteil, 0,5 mA typisch
- 2 mA max. IO, 1 mA typisch
- 2 mA maximale Stromversorgung, 1 mA typisch
- Eingang
- 120KΩ typischer interner Pull-up/-down-Widerstand
- 7 nH maximale Kontaktinduktivität
- Quarz
- Grundlegender Betriebsmodus
- 25 MHz typische Frequenz
- 50 Ω maximaler äquivalenter Serienwiderstand
- 8 pF typische Belastungskapazität
- 7 pF maximale Parallelkapazität
- 200 µW maximaler Antriebsgrad
- 2000 V maximaler ESD-Schutz (HBM)
- Maximale Sperrschichttemperatur: +125 °C
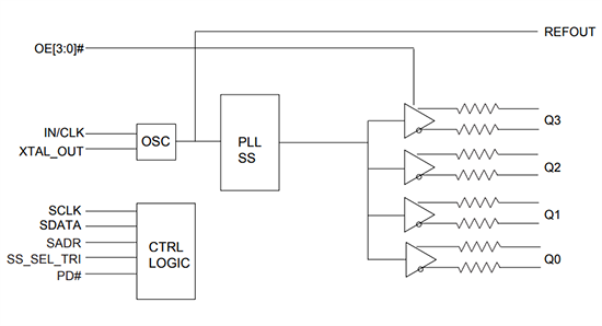
Blockdiagramm
Veröffentlichungsdatum: 2023-10-30
| Aktualisiert: 2023-11-28
