Diodes Incorporated PI6CB33x Gen-4-/5-konforme Taktpuffer
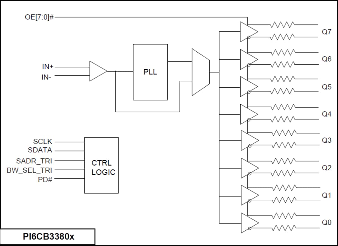
Diodes Incorporated PI6CB33x Gen-4-/5-konforme Taktpuffer von Diodes bieten eine ideale Taktlösung für Rechenzentrums-, Server-, Speicher- und Netzwerkapplikationen mit der PCIe-Schnittstelle. Die PI6CB33x Taktpuffer-Baureihe umfasst Bauteile mit 2 Ausgängen, 4 Ausgängen, 6 Ausgängen, 8 Ausgängen und 20 Ausgängen. Die PI6CB33x Taktpuffer unterstützen Hochgeschwindigkeits-Stromsteuerungslogikausgänge (HCSL) mit On-Chip-Anschlüssen für die Ansteuerung von entweder 85 oder 100 Übertragungsleitungen. Der On-Chip-Anschluss beseitigt die Notwendigkeit für externe Widerstände, vereinfacht das PCB-Layout und reduziert die Materialkosten (BOM). Darüber hinaus bieten die PI6CB33x Taktpuffer Ausgangsfreigabe-Pins (OE) für jeden Ausgang für ein einfacheres Leistungsmanagement.Die PI6CB33x Puffer verwenden ein proprietäres PLL-Design, um einen sehr geringen Jitter zu erreichen, der die Anforderungen von PCIe Gen1/Gen2/Gen3/Gen4/Gen5 erfüllt. Darüber hinaus unterstützen diese Bauteile über einen SM-Bus Ethernet-Applikationen mit 50 MHz, 125 MHz und 133,33 MHz. Mit einer programmierbaren Anstiegsrate und Ausgangsamplitude für jeden Ausgang bieten die PI6CB33x Taktpuffer Flexibilität für ein einfaches Board-Design und eine optimale Leistung.
Die PI6CB33x Taktpuffer werden in kompakten, bleifreien und RoHS-konformen TQFN-Gehäusen (Thin Quad Flat No-Lead, TQFN) angeboten.
Merkmale
- 3,3 V Versorgungsspannung
- HCSL-Eingang: 100 MHz
- 2, 4, 6, 8 oder 20 stromsparende HCSL-Differential-Ausgänge mit On-Chip-Anschluss
- Unterstützt 50 MHz, 125 MHz oder 133,33 MHz über SMBus
- Ausgangsimpedanz von 85 Ω oder 100 Ω
- Frequenzspreizungs-tolerant
- Individuelle Ausgangsfreigabe (OE)
- Programmierbare Anstiegsrate und Ausgangsamplitude für jeden Ausgang
- Differential-Ausgänge werden blockiert, bis der PLL verriegelt ist
- Bandpins oder SMBus zur Konfiguration
- Differential-Versatz zwischen Ausgängen < 50 ps
- Betriebstemperaturbereich: -40 °C bis +85 °C
- Ausgänge mit sehr geringem Jitter
- Differential-Jitter von < 50 ps zwischen Zyklen
- PCIe Gen1/Gen2/Gen3/Gen4/Gen5 CC-konform
- PCIe Gen. 2 und 3 SRIS- und SRnS-konform
- Gehäuseoptionen
- TQFN-24 (4 mm x 4 mm)
- TQFN-32 (5 mm x 5 mm)
- TQFN-40 (5 mm x 5 mm)
- TQFN-48 (6 mm x 6 mm)
- TQFN-72 (10 mm x 10 mm)
- Bleifrei und vollständig RoHS-konform
- Halogen- und antimonfreies umweltfreundliches Bauteil
Applikationen
- Rechenzentren und Server
- Speicher
- Netzwerksysteme
- Schalter und Router
Datenblätter
- 2-Ausgang
- 6-Ausgang
- 20-Ausgang
- 4-Ausgang
- 8-Ausgang
Stromsparende HCSL-Testschaltung
Differential-Ausgangsantriebs-LVDS
Veröffentlichungsdatum: 2020-02-10
| Aktualisiert: 2024-07-25
