Diodes Incorporated PI6CB332202/PI6CB332204 Takt-Mux mit 2 Eingängen
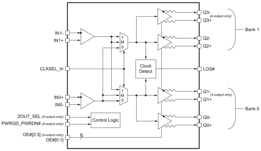
Der Diodes Inc. PI6CB332202/PI6CB332204 Takt-Mux mit 2 Eingängen ist ein stromsparendes Bauteil für PCIe 5.0/6.0 Applikationen. Das Bauteil benötigt zwei Referenzeingänge, um zwei/vier stromsparende differentielle HCSL-Ausgänge von bis zu 400 MHz aufzuteilen, mit On-Chip-Anschlüssen für eine Ausgangsimpedanz von 85Ω oder 100Ω. Für jeden Ausgang ist ein einzelner OE-Pin vorgesehen, der ein einfacheres Leistungsmanagement ermöglicht. Die Bauteile PI6CB332202/PI6CB332204 von Diodes Inc. unterstützen zudem die Power-Down-Tolerant (PDT), eine automatische Ausgangstaktsperre bei Ausfall des Eingangstakts sowie flexible Funktionen zur Startsequenzierung.Merkmale
- Mux mit 2 Eingängen mit 2x/4x stromsparenden HCSL-Ausgängen, die einen integrierten Endenabschluss unterstützen
- Impedanz von 85 Ω oder 100 Ω, wählbare Ausgangsimpedanz
- Frequenzspreizungs-tolerant
- Individuelle Ausgangsfreigabe
- Stromsparende Eingänge
- Flexible Startsequenz der Stromversorgung
- Automatische Ausgangstaktsperre bei Taktausfall
- Additiver Phasenjitter
- PCIe 5.0 - 6 fs RMS typisch
- PCIe 6.0 - 4 fs RMS typisch
- DB2000QL - 10 fs RMS typisch
- 3,3 V Versorgungsspannung
- Gehäuse
- 28-Pin, 4 mm x 4 mm, VQFN (ZLF) (4 x Ausgänge) (PI6CB332204)
- 20-Pin, 3 mm x 3 mm, WQFN (ZNA) (2 x Ausgänge) (PI6CB332202)
- Bleifrei und RoHS-konform
- Halogen- und antimonfreies grünes Gerät
- Für Fahrzeuganwendungen die eine spezielle Änderungskontrolle erfordern (d. h. Teile, die AEC-Q100/101/104/200zertifiziert, PPAP- fähig und in IATF 16949-zertifizierten Einrichtungen hergestellt sind)
Applikationen
- Rechenzentren und Server
- Speichersysteme
- Netzwerkausstattung
- Fahrzeugelektronik
Ressourcen
Blockdiagramm
Veröffentlichungsdatum: 2025-10-07
| Aktualisiert: 2025-11-13
