e-peas AEM30940 HF-Energy Harvesting-IC
Der AEM30940 HF-Energy Harvesting-IC von e-peas ist ein integrierter Ambient Energy Manager (AEM), der DC-Leistung aus einem Piezo-Generator, einem Mikroturbinengenerator oder einem anderen Hochfrequenz-HF-Eingang von 868 MHz oder 915 MHz extrahieren und gleichzeitig Energie in einem wiederaufladbaren Element speichern und das System mit zwei unabhängigen geregelten Spannungen versorgen kann. Der AEM30940 ist zur Verlängerung der Batterielaufzeit ausgelegt und eliminiert letztendlich das primäre Energiespeicherelement in einer großen Auswahl von drahtlosen Applikationen, wie z. B. in der industriellen Überwachung, der Heimautomatisierung, im Transportwesen und in der Smart-Landwirtschaft.Der AEM30940 extrahiert den verfügbaren Eingangsstrom von bis zu 110 mA. Das Bauteil enthält einen Aufwärtswandler mit extrem geringem Stromverbrauch zum Laden von Speicherelementen, wie z. B. eine Li-Ionen-Batterie, eine Dünnschicht-Batterie, einen Superkondensator oder einen herkömmlichen Kondensator. Der Aufwärtswandler arbeitet mit Eingangsspannungen in einem Bereich von 50 mV bis 5 V. Mit seiner einzigartigen Kaltstartschaltung kann der AEM30940 mit leeren Speicherelementen bei einer Eingangsspannung von nur 380 mV und einer Eingangsleistung von nur 3 µW betrieben werden.
Die Niederspannungsversorgung des AEM30940 kann verwendet werden, um einen Mikrocontroller bei 1,2 V oder 1,8 V anzusteuern. Die Hochspannungsversorgung kann typischerweise einen Funktransceiver bei einer konfigurierbaren Spannung zwischen 1,8 V und 4,1 V ansteuern. Beide werden von hocheffizienten LDO-Reglern (Low-Dropout) für ein geringes Rauschen und eine hohe Stabilität angesteuert.
Der AEM30940 enthält alle aktiven Elemente für die Stromversorgung eines typischen drahtlosen Sensors. Es sind nur fünf Kondensatoren und zwei Induktivitäten erforderlich, die in den kleinen Größen 0402 und 0603 verfügbar sind.Mit nur sieben externen Komponenten ist die Integration maximal, der Footprint und die BOM sind minimal, wodurch die Markteinführung und die Kosten von drahtlosen Sensorknoten-Designs optimiert werden.
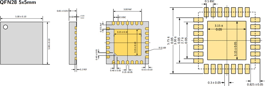
Das e-peas AEM30940 wird in einem QFN28-Gehäuse mit einem großen Betriebstemperaturbereich von -40 °C bis +125 °C angeboten.
Merkmale
- Anlauf mit sehr niedrigem Stromverbrauch
- Kaltstart mit einer Eingangsspannung von 380 mV und einer Eingangsleistung von 3µ W (typisch)
- Aufwärtsregler mit äußerst geringem Stromverbrauch
- Offene Schaltkreisspannung mit MPPT-Abtastung alle 0,33 s
- Konfigurierbare MPPT mit 2-Pin-Programmierung
- Wählbare Voc-Verhältnisse von 50, 65 oder 80 %
- Eingangsspannungsbereich von 50 mV bis 5 V
- MPPT-Betriebsspannungsbereich von 50 mV bis 5 V
- Konstante Impedanzanpassung (ZMPPT)
- Integrierter 1,2-V-/1,8-V-LDO-Regler
- Laststrom: bis zu 20 mA
- Dynamisch gesteuerte Leistung durch eine externe Steuerung
- wählbare Ausgangsspannung
- Integrierter 8-V- bis 4,1-V-LDO-Regler
- Laststrom von bis zu 80 mA mit einem Dropout von 300 mV
- Dynamisch gesteuerte Leistung durch eine externe Steuerung
- wählbare Ausgangsspannung
- Flexibles Energiespeichermanagement
- Wählbarer Überladungs- und Überentladungsschutz für jede Art von wiederaufladbarer Batterie oder Kondensator
- Schnelles Laden von Superkondensatoren
- Warnt die Last, wenn die Batterie fast leer ist
- Warnt, wenn Ausgangsspannungsregler verfügbar sind
- Optionale Primärbatterie
- Schaltet automatisch auf die Primärbatterie um, wenn die Sekundärbatterie erschöpft ist
- Integrierter Balun für Dualzellen-Superkondensator
- Geringer Footprint, kleine BOM
- Kompaktes 5 mm x 5 mm QFN28-Gehäuse
- Nur sieben passive externe Komponenten erforderlich
Applikationen
- Piezo-Harvesting
- Heimautomatisierung
- Mikroturbinen-Harvesting
- Transport
- HF-Harvesting
- Smart-Landwirtschaft
- Industrieüberwachung
Typische Applikations-Schaltung
Gehäuseabmessungen
