ECS ECS-TXO-20CSMV MultiVolt™ TCXOs
ECS ECS-TXO-20CSMV MultiVolt™ Clipped Sine Wave Temperature-Compensated Crystal Oscillators (TCXOs) feature a 1.7V to 3.465V supply voltage range and come in a 2.0mm x 1.6mm x 0.8mm ceramic package. ECS-TXO-20CSMV TCXOs offer ±2.0PPM frequency tolerance and operate over a wide temperature range of up to -40°C to +85°C. ECS ECS-TXO-20CSMV MultiVolt TCXOs are ideal for portable, wireless applications where stability is critical.Features
- Clipped sine wave TCXOs
- Lead free / RoHS compliant
- Moisture sensitivity level 1 (MSL 1)
- Gold (Au) lead finish
- Ideal for portable, wireless applications where stability is critical
Specifications
- 2.0mm x 1.6mm x 0.8mm (L x W x H) ceramic package
- 1.7V to 3.465V supply voltage range
- 10MHz to 52MHz frequency range
- ±2.0PPM frequency tolerance
- 0.8Vp-p output level
- 10KΩ/10pF output load
- -40°C to +85°C operating temperature range
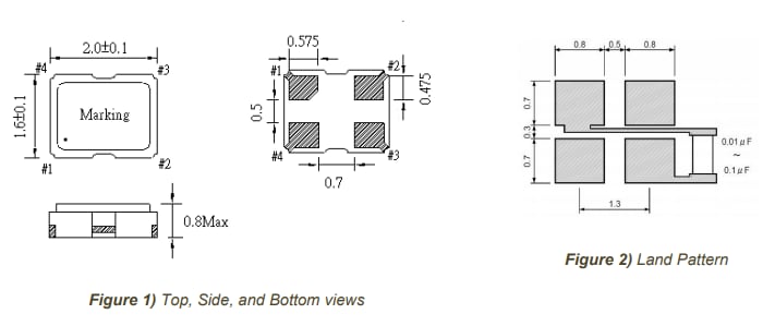
Dimensions (mm)
Veröffentlichungsdatum: 2019-11-01
| Aktualisiert: 2023-03-23
