Bosch BMA530 Shuttle-Board 3,0
Das Bosch BMA530 Shuttle-Board 3.0 ist eine Leiterplatte (PCB) mit einem vorbestückten BMA530 Beschleunigungssensor. In Kombination mit dem Applikationsboard 3.0/3.1 evaluiert das Shuttle-Board verschiedene Funktionen, die auf dem BMA530 Sensor bereitgestellt werden. Das BMA530 Shuttle-Board 3.0 ermöglicht einen einfachen Zugriff auf die Sensorpins über einen einfachen Sockel und kann direkt in das Applikationsboard 3.0/3.1 von Bosch Sensortec eingesteckt werden.Merkmale
- Vorbestückter BMA530 Beschleunigungssensor
- Evaluiert verschiedene Funktionen des BMA530
- Einfacher Zugriff auf die Sensorpins über einen einfachen Sockel
- Kann direkt in das Applikationsboard 3.0/3.1 von Bosch Sensortec eingesteckt werden
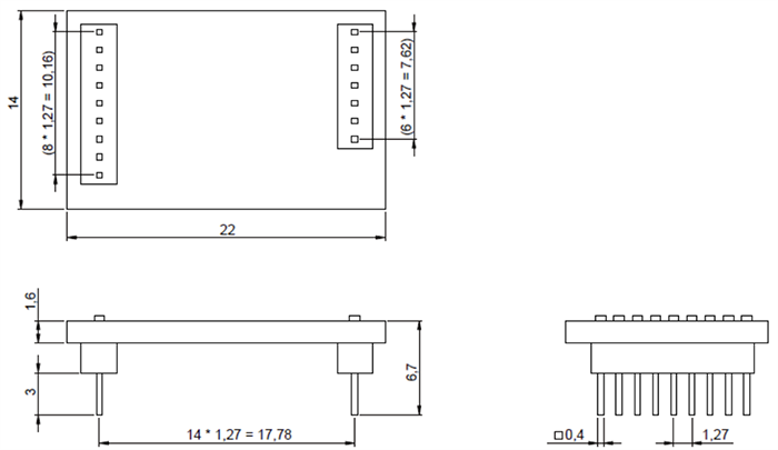
- Abmessungen: 22 mmm x 14 mmm x 1,6 mmm
Applikationen
- Wearables und Geräte zur Aktivitätsverfolgung
- Spielzeug und Gadgets
- Laptops
- Gestenerkennung
- Freifallerkennung
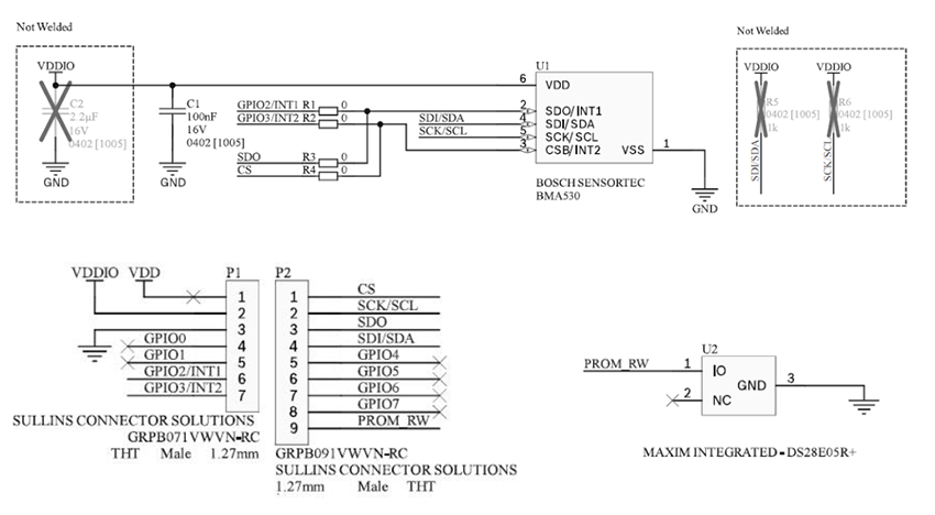
Elektrisches Layout
Abmessungen (mm)
Veröffentlichungsdatum: 2024-05-14
| Aktualisiert: 2024-05-17
