Guerrilla RF GRF5618 Power Amplifier
Guerrilla RF GRF5618 Power Amplifier is a two-stage InGaP amplifier that delivers excellent P1dB, ACLR, and IM3 performance over the 1805MHz to 1915MHz frequency range. This high-gain Heterojunction Bipolar Transistor (HBT) amplifier offers up to +26dBm POUT with 45dBc ACLR and consumes 365mA native mode Quiescent current. The GRF5618 amplifier features 50Ω single-ended input and output impedances, digital shutdown, and rugged design. This amplifier is used in cellular boosters, picocells, automotive compensators, and customer premise equipment.Features
- Excellent OP1dB, OIP3, ACLR and IM3 performance
- +26dBm linear output power maintained at 85°C
- Flexible biasing provides latitude for linearity optimization
- 50Ω single-ended input and output impedances
- 1805MHz to 1915MHz frequency range
- 365mA native mode Quiescent current consumption
- 3V to 5.25V supply voltage range
- Digital shutdown
- Rugged design is extremely resilient to mismatched loads
- -40°C to 85°C operating temperature range
- Moisture Sensitivity Level 1 (MSL 1)
- Compact 3mm x 3mm QFN-16 package
- RoHS compliant
Applications
- Cellular boosters
- Picocells/femtocells
- Automotive compensators
- Customer premise equipment
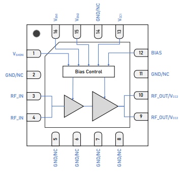
Standard Test Schematic
Block Diagram
Veröffentlichungsdatum: 2024-03-28
| Aktualisiert: 2024-03-28
