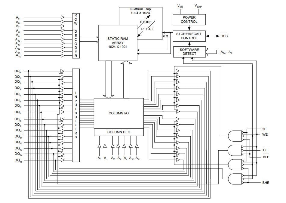
The Infineon Technologies CY14B nvSRAM behaves like any asynchronous SRAM. Inside the device is a small MCU and the analog circuitry that monitors system power and makes the decisions on shutting down and storing SRAM contents in non-volatile memory. The nvSRAM comes back up with restored power, manages the movement of data back to SRAM, and alerts the MCU when a normal operation can continue. No management of the IC is required.
Logic Block Diagram
View Results ( 36 ) Page
| Teilnummer | Datenblatt | Organisation | Zugangszeit | Speichergröße | Verpackung/Gehäuse |
|---|---|---|---|---|---|
| CY14B256LA-SP45XIT | ![]() |
SSOP-48 | |||
| CY14B104NA-ZS45XI | ![]() |
256 k x 16 | 45 ns | 4 Mbit | TSOP-II-44 |
| CY14B101LA-ZS25XI | ![]() |
128 k x 8 | 25 ns | 1 Mbit | TSOP-II-44 |
| CY14B101LA-BA45XI | ![]() |
FBGA-48 | |||
| CY14B101LA-SP25XI | ![]() |
128 k x 8 | 25 ns | 1 Mbit | SSOP-48 |
| CY14B101LA-SP45XI | ![]() |
128 k x 8 | 45 ns | 1 Mbit | SSOP-48 |
| CY14B101LA-SP25XIT | ![]() |
128 k x 8 | 25 ns | 1 Mbit | SSOP-48 |
| CY14B104NA-BA45XI | ![]() |
FBGA-48 | |||
| CY14B104NA-ZS25XI | ![]() |
256 k x 16 | 45 ns | 4 Mbit | TSOP-II-44 |
| CY14B104NA-BA25XI | ![]() |
FBGA-48 |
Veröffentlichungsdatum: 2009-12-16
| Aktualisiert: 2022-08-15


