Infineon Technologies CYW20736 BLUETOOTH® Low Energy-SoC
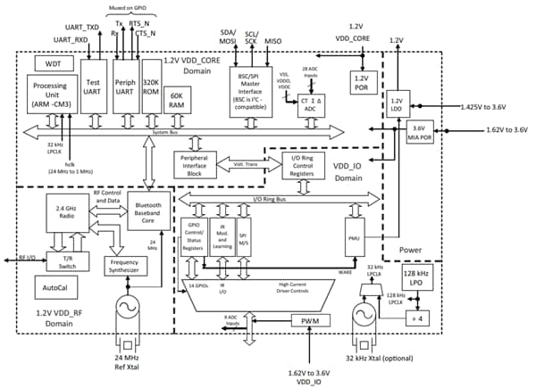
Das Cypress CYW20736 BLUETOOTH Low Energy-SoC verfügt über einen Abschaltstrom von 200 nA, einen Eingangssignalbereich von 3,63 V und einen Frequenzbereich von 2.402 bis 2.480 MHz. Das CYW20736 ist zur Unterstützung des gesamten Spektrums von Bluetooth Smart-Anwendungsfällen für Marktsegmente der Medizintechnik, Hausautomatisierung, Zubehör, Sensoren, Internet of Things und Wearables ausgelegt. Das Einzelchip-Bluetooth Low Energy-SoC ist ein monolithisches Bauelement, das in einem digitalen CMOS-Standardverfahren implementiert ist und eine minimale Anzahl externer Komponenten benötigt, um ein vollständig kompatibles Bluetooth-Gerät zu erstellen. Das CYW20736 ist in einem 32-Pin-32-QFN-Gehäuse von 5 × 5 mm sowie in WLCSP- und Chip-Gehäusen verfügbar.Applikationen
- Allianz für kabelloses Funkleistungs-Laden (A4WP)
- Mit Bluetooth Low Energy (BLE) konform
- Infrarot-Modulator
- IR-Lernphase
- Unterstützt adaptive Frequenzsprünge
- Hervorragende Empfängerempfindlichkeit
- 10-Bit-Hilfs-ADC mit neun Analogkanälen
- On-Chip-Unterstützung für serielle Peripherieschnittstelle (Master- und Slave-Modi)
- Broadcom serielle Kommunikationsschnittstelle (kompatibel mit NXP I2C-Slaves)
- Programmierbare Ausgangsleistungssteuerung
- Integrierter ARM Cortex-M3-basierter Mikroprozessorkern
- Automatisierungsprofil
- Unterstützung für sichere OTA
- On-Chip-Einschalt-Reset (POR)
- Unterstützung für EEPROM und serielle Flash-Schnittstellen
- Integrierter Low-Dropout-Regler (LDO)
- Software-gesteuerte On-Chip-Leistungsmanagementeinheit
- Gehäuseausführung: 32-Pin-32-QFN-Gehäuse (5 × 5 mm); 80-Pin-WLCSP-Gehäuse (2.104 × 2.085 μm)
- RoHS-konform
Blockdiagramm
Veröffentlichungsdatum: 2019-09-19
| Aktualisiert: 2024-01-30
