Infineon Technologies 100 V bis 150 V StrongIRFET™ Leistungs-MOSFETs
Infineon TechnologiesInfineon Technologies StrongIRFET ™ 100-V- bis 150-V-Leistungs-MOSFETs sind für einen niedrigen Einschaltwiderstand (RDS(on)) und eine hohe Strombelastbarkeit optimiert. Diese Bauteile bieten einen RDS(on) von nur 1,3 mΩ bei 100 V und eine Strombelastbarkeit von bis zu 209 A bei 100 V. Diese Merkmale führen zu geringeren Leitungsverlusten und einer höheren Leistungsdichte, während gleichzeitig ältere Designs berücksichtigt werden. Die StrongIRFET-Leistungs-MOSFETs sind ideal für Niederfrequenzapplikationen, die Leistung und Robustheit erfordern. Das umfassende Portfolio deckt ein breites Spektrum an Anwendungen ab, darunter Gleichstrommotoren, Batteriemanagementsysteme, Wechselrichter und Gleichstromwandler.Die 100 V bis 150 V StrongIRFET™ Power MOSFETs von Infineon Technologies werden in einem TO-247-Gehäuse nach Industriestandard mit einem weiten Betriebstemperaturbereich von -55 °C bis +175 °C angeboten.
Merkmale
- Niedriges RDS(on): 1,3 mΩ bei 100 V
- Strombelastbarkeit von bis zu 209 A bei 100 V
- Drain-Source-Spannung: 100 V und 150 V
- Produktqualifizierung gemäß JEDEC-Standard
- Vollständig ausgeprägte Kapazität und Avalanche-SOA
- Hohe Gate-, Avalanche- und dynamische dv/dt-Widerstandsfähigkeit
- Verbesserte dV/dt- und dI/dt-Fähigkeit der Körperdiode
- Großer Betriebstemperaturbereich von -55 °C bis +175° C.
- TO-247-Gehäuse nach Industriestandard ermöglicht Drop-in-Austausch
Applikationen
- Unterbrechungsfreie Stromversorgungen (USV)
- Solarenergie-Wechselrichter
- Audioverstärker der Klasse D
- Schaltnetzteil (SMPS))
- Bürsten- und BLDC-Motorantriebe
- Batteriebetriebene Schaltungen
Technische Daten
Typische Applikations-Schaltung
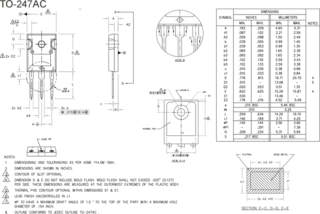
Gehäuseabmessungen
Veröffentlichungsdatum: 2022-09-21
| Aktualisiert: 2022-09-22
