Infineon Technologies 1.700-V-Fourpack-IGBT-Module

Infineon Technologies 1.700-V-Fourpack-IGBT-Module sind isolierte Gate-Bipolartransistormodule, die auf der Trench-/Fieldstop-IGBT4-Technologie basieren. Die 1.700-V-Fourpack-IGBT-Module verfügen über eine Emitter-gesteuerte Soft-Recovery-Diode zur Reduzierung von Einschaltverlusten. Darüber hinaus enthalten diese Bauteile einen integrierten Thermistor mit negativem Temperaturkoeffizienten (NTC) für eine verbesserte thermische Leistung. 

Die 1.700-V-Fourpack-IGBT-Module von Infineon Technologies werden in EconoPACK™3- und EconoDual™3-Gehäusen mit einer isolierten Grundplatte für eine optimierte Wärmeverteilung angeboten.

Merkmale

  • Integrierter NCT-Temperatursensor
  • Kollektor-Emitter-Sättigungsspannung (VCEsat) mit einem positiven Temperaturkoeffizienten
  • Isolierte Grundplatte
  • Löt- und PressFIT-Kontakttechnologie-Optionen
  • 1.700-V-Kollektor-Emitter-Spannung (VCES)
  • Hohe DC-Stabilität
  • Hohe Kurzschlussfestigkeit
  • Sperrschicht-Betriebstemperaturbereich (Tvjop): -40 °C bis +150 °C

Applikationen

  • Industrie-Heizung und -Schweißen
  • Motorsteuerung und -antriebe
  • Traktionsapplikationen
  • Hochleistungswandler
  • Mittelspannungswandler
  • Windturbinen

Datenblätter

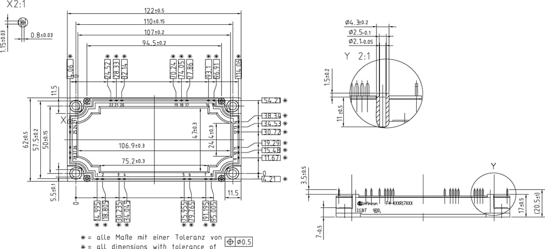
EconoDUAL-3 Gehäuseumriss

Technische Zeichnung - Infineon Technologies 1.700-V-Fourpack-IGBT-Module

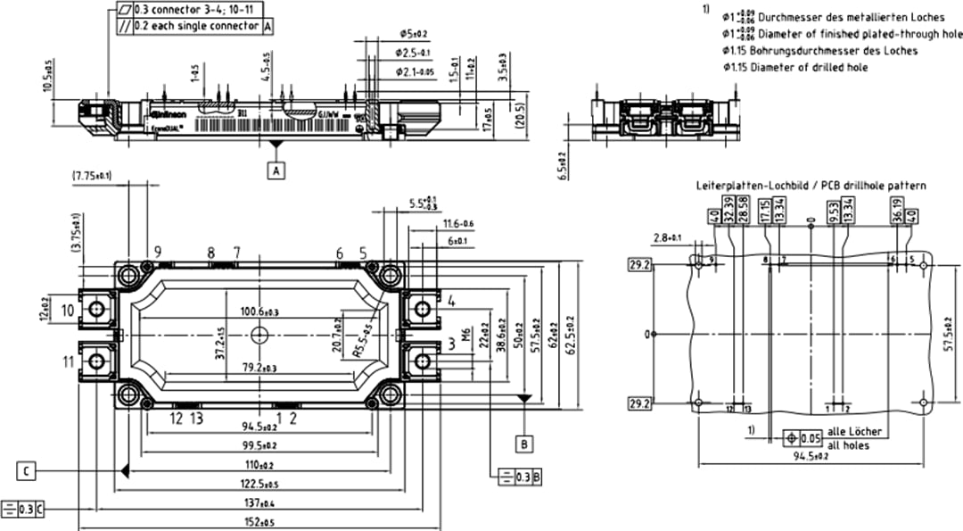
EconoPACK-3-Gehäuseumriss

Technische Zeichnung - Infineon Technologies 1.700-V-Fourpack-IGBT-Module
Veröffentlichungsdatum: 2021-07-16 | Aktualisiert: 2023-09-05