Infineon Technologies 650 V CoolSiC™-M1-Trench-Leistungs-MOSFETs

Die 650 V CoolSiC ™ -M1-Trench-Leistungs-MOSFETs von Infineon Technologies  kombinieren die starken physikalischen Eigenschaften von Siliziumcarbid mit einzigartigen Funktionen, welche die Leistung, Robustheit und Benutzerfreundlichkeit des Bauelements erhöhen. Die CoolSiC-M1-MOSFETs basieren auf einem hochmodernen Trench-Halbleiterverfahren, das für die niedrigsten Applikationsverluste und die  höchste Zuverlässigkeit im Betrieb optimiert ist. Diese Bauteile eignen sich für hohe Temperaturen und raue Betriebsabläufe und ermöglichen eine vereinfachte und kostengünstige Bereitstellung des höchsten Systemwirkungsgrads. 

Die CoolSiC-M1-MOSFETs werden in einem kompakten 3-Pin-/4-Pin-TO-247-Gehäuse angeboten und sind bleifrei, halogenfrei und RoHS-konform.

Merkmale

  • Niedrige Kapazitäten
  • Optimiertes Schaltverhalten bei höheren Strömen
  • Robuste schnelle Kommutierungs-Bodydiode mit niedriger Sperrverzögerungsladung (Qrr)
  • Hervorragende Gate-Oxid-Zuverlässigkeit
  • Hervorragendes thermisches Verhalten
  • Erhöhte Avalanche-Fähigkeit
  • Funktioniert mit Standard-Treibern
  • Hohe Leistungsfähigkeit, hohe Zuverlässigkeit und Benutzerfreundlichkeit
  • Ermöglicht einen hohen Systemwirkungsgrad
  • Reduziert die Systemkosten und Komplexität
  • Ermöglicht eine kleinere Systemgröße
  • Funktioniert in Topologien mit kontinuierlicher harter Kommutierung
  • Geeignet für hohe Temperaturen und raue Betriebsbedingungen
  • Ermöglicht bidirektionale Topologien

Applikationen

  • Server
  • Telekommunikation
  • SNT
  • Energiespeicherung und Batterie-Formatierung
  • Solarenergiesysteme/Solar-PV-Wechselrichter
  • USV
  • EV-Ladeinfrastruktur
  • Motorantriebe
  • Verstärker der Klasse D

Videos

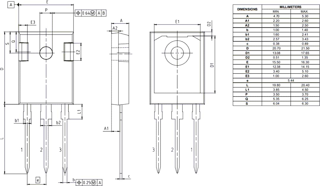
Gehäuseabmessungen (TO-247 3-Pin)

Technische Zeichnung - Infineon Technologies 650 V CoolSiC™-M1-Trench-Leistungs-MOSFETs

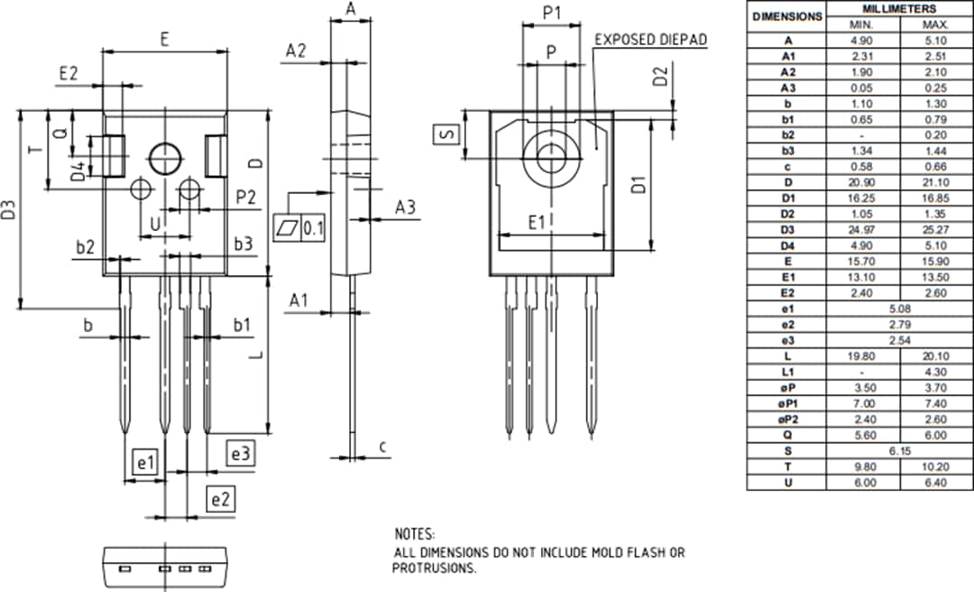
Gehäuseabmessungen (TO-247 4-Pin)

Technische Zeichnung - Infineon Technologies 650 V CoolSiC™-M1-Trench-Leistungs-MOSFETs
View Results ( 26 ) Page
Teilnummer Datenblatt Verpackung/Gehäuse Id - Drain-Gleichstrom Rds On - Drain-Source-Widerstand Qg - Gate-Ladung Pd - Verlustleistung
IMBG65R057M1HXTMA1 IMBG65R057M1HXTMA1 Datenblatt 39 A 74 mOhms 28 nC 161 W
IMZA65R039M1HXKSA1 IMZA65R039M1HXKSA1 Datenblatt TO-247-4 50 A 50 mOhms 41 nC 176 W
IMBG65R163M1HXTMA1 IMBG65R163M1HXTMA1 Datenblatt 17 A 217 mOhms 27 nC 85 W
IMBG65R107M1HXTMA1 IMBG65R107M1HXTMA1 Datenblatt 24 A 141 mOhms 35 nC 110 W
IMZA65R107M1HXKSA1 IMZA65R107M1HXKSA1 Datenblatt TO-247-4 20 A 142 mOhms 15 nC 75 W
IMBG65R048M1HXTMA1 IMBG65R048M1HXTMA1 Datenblatt 45 A 64 mOhms 33 nC 183 W
IMBG65R039M1HXTMA1 IMBG65R039M1HXTMA1 Datenblatt 54 A 51 mOhms 41 nC 211 W
IMBG65R072M1HXTMA1 IMBG65R072M1HXTMA1 Datenblatt 33 A 94 mOhms 22 nC 140 W
IMBG65R260M1HXTMA1 IMBG65R260M1HXTMA1 Datenblatt 6 A 346 mOhms 22 nC 65 W
IMBG65R022M1HXTMA1 IMBG65R022M1HXTMA1 Datenblatt 64 A 30 mOhms 67 nC 300 W
Veröffentlichungsdatum: 2020-01-22 | Aktualisiert: 2024-09-23