Infineon Technologies BTS3080EJ Demonstrationsboard
Das Infineon Technologies BTS3080EJ Demonstrationsboard ist zur Evaluierung der Funktionen und des Betriebsverhaltens der BTS3080EJ hochintegrierten temperaturgeschützten MOSFET-Schalter (HITFET™) ausgelegt. Dieses Demonstrationsboard verfügt über eine integrierte programmierbare Drucktaste und eine Diagnosefunktion. Das BTS3080EJ Demonstrationsboard ist in der Lage, eine ohmsche, kapazitive oder induktive Last von 12 V anzusteuern und ist mit dem Arduino/XMC1100 Boot-Kit kompatibel. Dieses Demonstrationsboard ist RoHS-konform und wird in einem Versorgungsspannungsbereich von 6 V bis 31 V betrieben.Merkmale
- Evaluiert die Funktionen und das Betriebsverhalten der BTS3080EJ HITFET™-Schalter
- Integrierte programmierbare Drucktaste
- Diagnosefunktion
- Arduino/XMC1100 Boot-Kit-kompatibel
- Treibt eine ohmsche, kapazitive oder induktive Last von 12 V an
- RoHS-konform
- Versorgungsspannungsbereich: 6 V bis 31 V
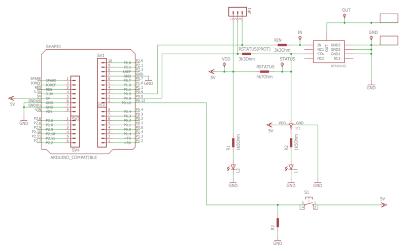
Schaltplan
Veröffentlichungsdatum: 2019-12-10
| Aktualisiert: 2024-01-23
