Infineon Technologies EasyPIM™ IGBT-Modul
Das Infineon Technologies EasyPIM™ IGBT-Modul ist ein Dreiphasen-Eingangsgleichrichter-PIM-IGBT-Modul mit TRENCHSTOP™ IGBT7 Emitter-gesteuerter Diode und NTC-/PressFIT-Technologie. Dieses Modul zeichnet sich durch eine verbesserte Steuerbarkeit von dv/dt, eine verbesserte FWD-Nachgiebigkeit, optimierte Schaltverluste und eine Kurzschlussfestigkeit von 8 µs aus. Das EasyPIM (Leistungs-integriertes Modul) ist sehr klein und ermöglicht dadurch eine höhere Leistungsdichte. Zur Erfüllung der Energieeffizienzanforderungen reduziert dieses Modul die Systemkosten und -verluste. Zu den typischen Applikationen gehören Umrichter, Klimaanlagen, Servomotoren und Heizung, Lüftung und Klima (HLK).Merkmale
- Niedrige Spannung im eingeschalteten Zustand VCE(sat) und Vf
- Tvj op = 175 °C bei Überlastung
- Verbesserte Steuerbarkeit von dv/dt
- Optimierte Schaltverluste für dv/dt = 5 kV/µs
- 8 μs Kurzschlussfestigkeit
- Verbesserte FWD-Nachgiebigkeit
- Höhere Leistungsdichte aufgrund kleinerer Leistungsmodule
- Niedrigere Verluste zur Erfüllung der Energieeffizienzanforderungen
- Optimierter Kompromiss zwischen Verluste und EMI
- Niedrigere Systemkosten
Applikationen
- Hilfs-Wechselrichter
- Klimaanlagen
- Servomotor
- Motorsteuerung und -antriebe
- Heizung, Lüftung, Klima (HLK).
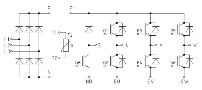
Schaltplan
Videos
Veröffentlichungsdatum: 2019-04-03
| Aktualisiert: 2026-02-12
