Infineon Technologies EB 2ED2410 3D/3 M Platinen
Infineon Technologies EB 2ED2410 3-M-/3D-Boards basieren auf einem 3M-Mother-/3D-Daughterboard zur Lösung von ausfallsicheren Betriebsleistungsschaltern. Das EB 2ED2410 3M-Board verfügt über den 2ED2410-EM Treiber, eine Steuerschnittstelle zu einem Mikrocontroller oder Wellenformgeneratoren, die über pin-Stiftleisten zugänglich sind. Die EB 2ED2410 3D-1BCD, -1BCS, -1BCDP, -1BCSP-Boards verfügen über eine N-Kanal-MOSFET-Struktur mit gemeinsamen Drain und gemeinsamen Sources mit oder ohne Vorladeschaltung. Die EB 2ED2410 3M/3D-Boards sind ideal für den Einsatz in Kraftfahrzeugen oder in der Industrie und verfügen über eine elektronische Sicherung und einen I-t-Drahtschutz.Merkmale
- Motherboard EB 2ED2410 3M:
- Schalter-Eigen- und Drahtschutz (z. B. Kurzschluss oder I-T-Drahtschutz)
- Fehlererkennung (über DGx PINS)
- Überwachung der Schalter-Betriebsbedingungen (PCB-Temperatur und MOSFET-Gate-Source-Kriechverlust)
- Fehlermodusanalyse des angeschlossenen MOSFETs
- Daughterboards EB 2ED2410 3D:
- N-Kanal-MOSFET-Common-Drain
- Gängige Quellenstruktur mit oder ohne Vorladungsschaltung
- Für einfache Plug-and-Play-Bananensteckverbinder ausgelegt
Übersicht Motherboard
Übersicht über Daughterboard -1BCD
Übersicht über das Daughterboard -1BCDP
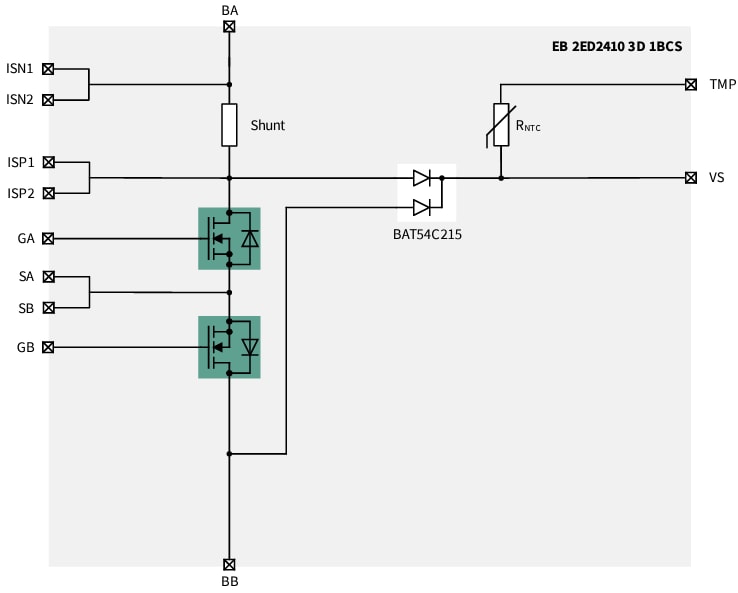
Übersicht über Daughterboard -1BCS
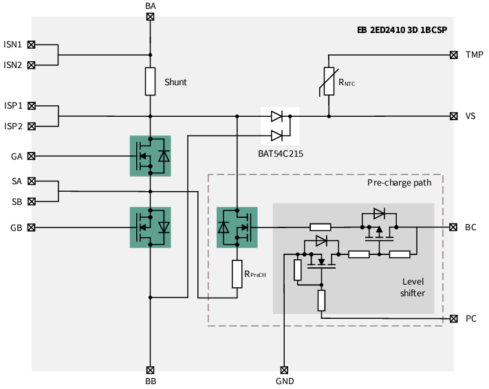
Übersicht über das Daughterboard -1BCSP
Veröffentlichungsdatum: 2023-08-03
| Aktualisiert: 2023-08-24
