Infineon Technologies EiceDRIVER™ 1200 V Halbbrücken-Gate-Treiber

Infineon Technologies EiceDRIVER ™ 1200 V-Halbbrücken-Gate-Treiber sind mit Bootstrap-Dioden integriert und steuern IGBT- oder SiC MOSFET-Leistungsbauelemente. Basierend auf der SOI-Technologie bieten diese Treiber eine ausgezeichnete Widerstandsfähigkeit gegenüber transienten Spannungen. Der EiceDRIVER ist über den gesamten Betriebstemperatur- und Spannungsbereich robust gegen parasitäres Einrasten ausgelegt. Die EiceDRIVER ™ Gate-Treiber-ICs haben eine Kapazität von 2,3 A als Quelle und 4,6 A als Senke und sind mit einem ultraschnellen Überstromschutz (OCP) ausgestattet. Zu den Anwendungen gehören industrielle Antriebe, eingebettete Umrichter für die Motorsteuerung von Pumpen, Lüftern und Klimaanlagen für den gewerblichen und kleinen Bereich. 

Merkmale

  • Einzigartige dünnfilmige Silicon-On-Insulator (SOI) Technologie
    • Floating-Kanal, der für den Bootstrap-Betrieb ausgelegt ist
  • Maximale Bootstrapspannung (VB-Knoten) von 1225 V
  • Betriebsspannungen (VS-Knoten) von bis zu 1200 V
  • Negative VS-Transientenspannungsimmunität von 100 V
    • Mit repetitiven 700 ns Impulsen
  • 2,3A/4,6A Spitzenwert der Ausgangsstromquelle/-senke
  • Integrierter ultra-schneller Überstromschutz (OCP)
    • ±5 % Referenzschwellwert mit hoher Genauigkeit
    • Weniger als 1µs vom Überstromsensor bis zum Abschalten des Ausgangs
  • Integrierte extrem schnelle bootstrap-diode mit niedrigem Widerstand
  • Integrierte Totzeit- und Durchschussverhinderungslogikschaltung (2ED1322S12M)
  • Freigabe-, Fehler- und programmierbarer Fehlerlöscheingang RFE
  • Logikschaltung bis zu -8 V am VS-Pin
  • Unabhängige Unterspannungssperre (UVLO) pro Kanal
  • Maximale Versorgungsspannung: 25 V VCC
  • Getrennte Logikschaltung (VSS) und Ausgangsmasse (COM)
  • Mehr als 5mm Luft/Kriechstrecke
  • 2 kV HBM ESD-Kapazität

Technische Daten

  • VS _ OFFSET = 1200 V Max.
  • IO + /Io- = 2.3A/4.6A Spitzenwert
  • VCC = 13 V bis 20 V typisch
  • Ausbreitungsverzögerung = 500 ns typisch
  • Totzeit = 380 ns typisch

Applikationen

  • Industrielaufwerke
  • Integrierte Umrichter für die Motorsteuerung von Pumpen und Lüftern
  • Gewerbliche und kleingewerbliche Klimatisierung

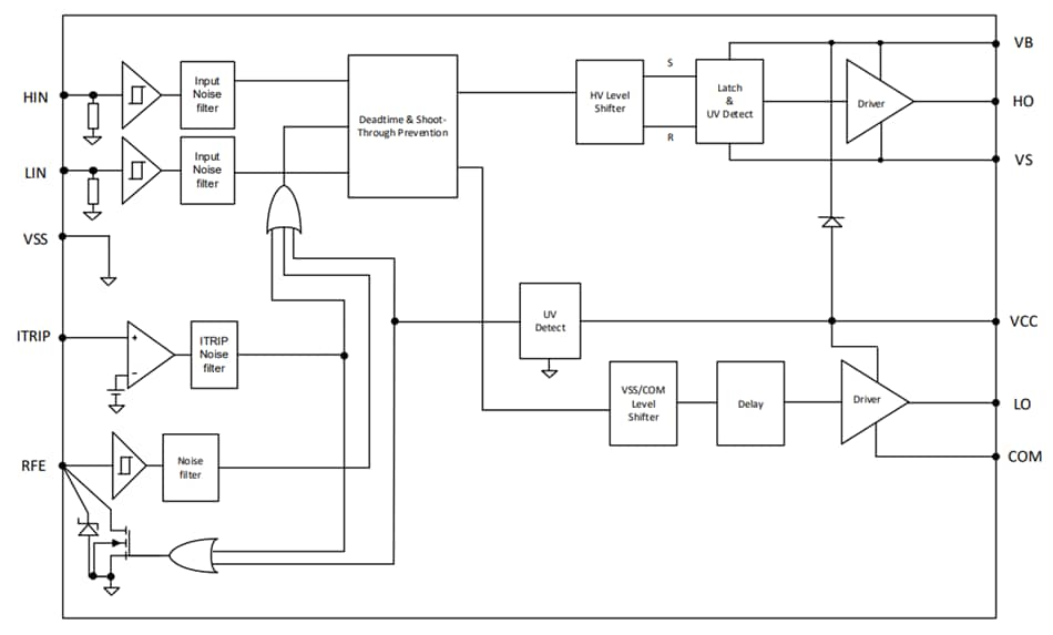
2ED1322S12M Blockdiagramm

Blockdiagramm - Infineon Technologies EiceDRIVER™ 1200 V Halbbrücken-Gate-Treiber

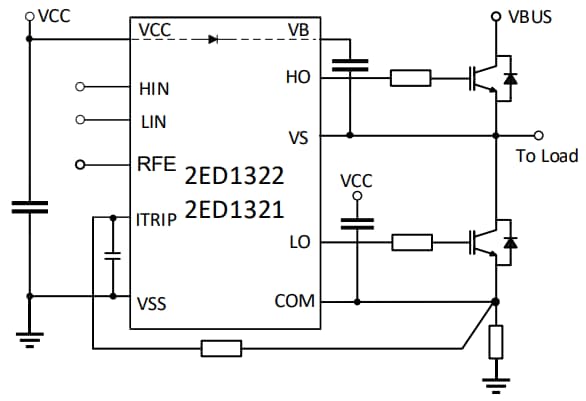
Typisches Applikations-Schaltungsdiagramm

Applikations-Schaltungsdiagramm - Infineon Technologies EiceDRIVER™ 1200 V Halbbrücken-Gate-Treiber
Veröffentlichungsdatum: 2023-05-12 | Aktualisiert: 2023-06-02