Infineon Technologies FS3L200R10W3S7F_B11 EasyPACK™ 3-Stufen-IGBT-Modul
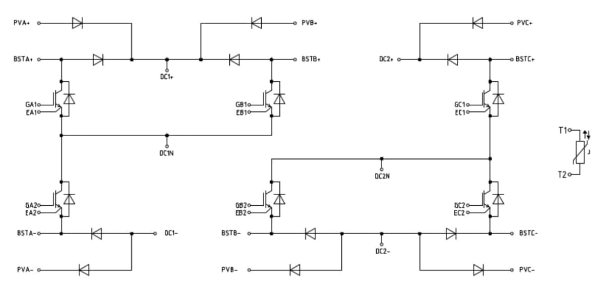
Das FS3L200R10W3S7F_B11 EasyPack™ 3-Stufen-IGBT-Modul von Infineon Technologies ist ein Dual-Aufwärtsmodul von 950 V, 200 A mit 1.200-V-CoolSiC-Diode, Trenchstop-IGBT7, NTC- und PressFIT-Kontakttechnologie. Der FS3L200R10W3S7F_B11 bietet ein Design ohne Grundplatte mit PressFIT-Pins. Die Kombination der F3L400R10W3S7F_B11 und F3L400R10W3S7_B11 bietet eine Gesamtlösung für 3-Phasen-PV-String-Wechselrichter von 1.500 V.Merkmale
- S7 mit extrem geringem Schaltverlust und sanftem Ausschaltverhalten
- 1.200-V-CoolSiC™-Dioden reduzieren den Schaltverlust des IGBT
- Dual-Aufwärts-Topologie, 3 MPPT-Schaltungen in einem Modul
- Bypass-Dioden und Verpolungsschutzdioden sind für jeden MPPT-Schaltkreis integriert
- CTI>400
- Innovatives mechanisches Konzept reduziert Rthjh
- Tvj op = 150 °C
- Design ohne Grundplatte
- PressFIT-Pins
Typische Applikations-Schaltung
Veröffentlichungsdatum: 2021-09-18
| Aktualisiert: 2022-03-11
