Infineon Technologies IAUZ4xN06S5 OptiMOS™-5 60-V-Automotive-MOSFETs
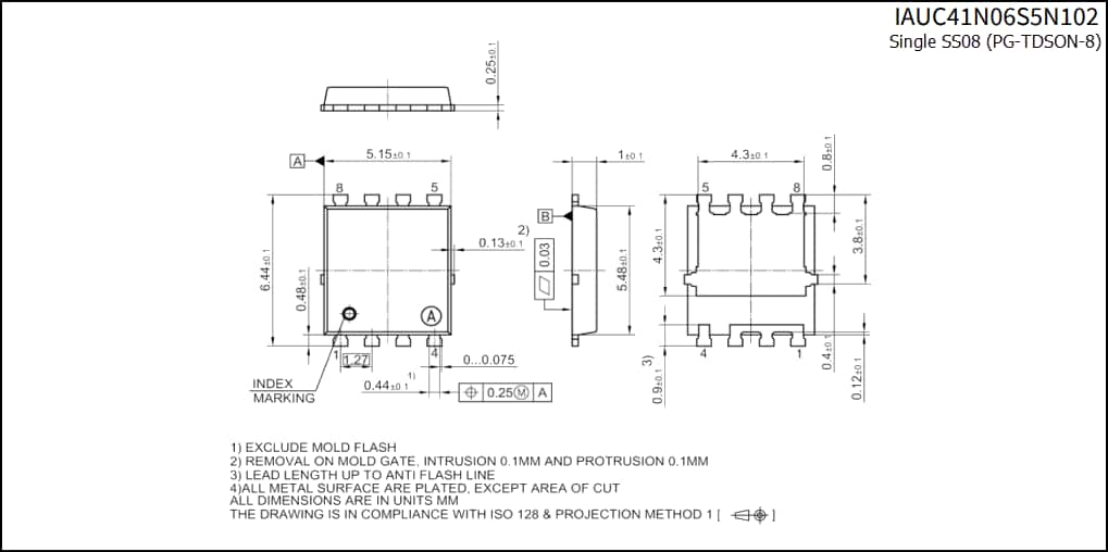
Infineon Technologies IAUZ4xN06S5 OptiMOS™-5 60-V-Automotive-MOSFETs verfügen über einen niedrigen Drain-Source-Einschaltwiderstand, eine niedrige Gate-Ladung und eine niedrige Gate-Kapazität, wodurch Leitungs- und Schaltverluste reduziert werden. Diese n-Kanal-Anreicherungstyp-MOSFETs verfügen außerdem über eine extrem niedrige Sperrverzögerungsladung von 22,7 nC bis 23,0 nC.Die IAUZ4xN06S5 OptiMOS-5 MOSFETs von Infineon Technologies sind gemäß AEC-Q101 für Fahrzeuganwendungen zugelassen. Der IAUZ40N06S5 mit 5,0 mΩ ist in einem S3O8-Gehäuse (PG-TSDSON-8) von 3 mm x 3 mm erhältlich. Der IAUC41N06S5 mit 10,2 mΩ wird in einem Einzel-SS08-Gehäuse (PG-TDSON-8) von 5 mm x 6 mm angeboten.
Merkmale
- OptiMOS Leistungs-MOSFET für Fahrzeuganwendungen
- n-Kanal-Anreicherungstyp-Logik-Level-MOSFET
- Erweiterte Qualifizierung über AEC-Q101 hinaus
- Verbesserte elektrische Prüfung
- Robustes Design
- MSL1 bis zu einem Spitzen-Reflow von 260 °C
- Maximale Betriebstemperatur von +175 °C
- Umweltfreundliches Produkt (RoHS-konform)
- 100 % Avalanche-getestet
Applikationen
- Universal-Fahrzeuganwendungen
- DC/DC
- LED-Beleuchtung
- Kabelloses Laden
- FAS
- CAV-Applikationen (24 V)
Technische Daten
- Drain-Source-Durchschlagspannung (V(BR)DSS): 60 V
- Drain-Source-Einschaltwiderstand (RDS(on))
- IAUZ40N06S5: 5.0mΩ
- IAUC41N06S5: 10.2mΩ
- Dauersenkenstrom (ID)
- IAUZ40N06S5: 90A
- IAUC41N06S5: 47A
- Gate-Quellenspannung (VGS)
- IAUZ40N06S5: ±16V
- IAUC41N06S5: ±20V
- Verlustleistung
- IAUZ40N06S5: 71W
- IAUC41N06S5: 42W
- Sperrverzögerungsladung (Qrr)
- IAUZ40N06S5: 23nC
- IAUC41N06S5: 22.7nC
- Gehäuseoptionen
- IAUZ40N06S5: 3mm x 3mm S3O8 (PG-TSDSON-8)
- IAUC41N06S5: Einzel-SS08 (PG-TDSON-8) von 5 mm x 6 mm
Datenblätter
IAUZ40N06S5L050 Gehäuseabmessungen
IAUC41N06S5N102 Gehäuseabmessungen
Veröffentlichungsdatum: 2021-11-23
| Aktualisiert: 2022-03-11
