Infineon Technologies OptiMOS™ 7 80-V-Leistungs-MOSFETs für Fahrzeuganwendungen
Die OptiMOS™ 7 80-V-Leistungs-MOSFETs für Fahrzeuganwendungen von Infineon Technologies werden mit der führenden Leistungshalbleitertechnologie gefertigt. Diese MOSFETs wurden wurden gezielt für die Anforderungen anspruchsvoller Fahrzeuganwendungen hinsichtlich Leistungfähigkeit, Qualität und Robustheit entwickelt. Die 80-V-MOSFETs OptiMOS™ 7 arbeiten mit einer Gate-Source-Spannung von ±20 VGS und in einem Temperaturbereich von -55 °C bis 175 °C. Diese MOSFETs werden in einem oberseitig gekühlten 5 x 7mm2 großen SSO10T SMD-Gehäuse angeboten. Das SSO10T-Gehäuse hilft Anwendern, Verbesserungen bei der Kühlung und Leistungsdichte zu erzielen. Die 80-V-Leistungs-MOSFETs sind MSL-1-zertifiziert, RoHS-konform und zu 100 % Avalanche-getestet. Diese Leistungs-MOSFETs eignen sich ideal für allgemeine Fahrzeuganwendungen.Merkmale
- Direkter Kühlweg zum Gehäuse des Steuergeräts (ECU-Gehäuse)
- Praktisch kein Wärmefluss in die PCB
- Größte freiliegende Pad-Fläche der Branche
- Bietet die Möglichkeit zur freie Verlegung von Leiterbahnen unter dem Gehäuse
- Bauteile können auf der Rückseite des PCB montiert werden
- Spitzenwert des Einschaltwiderstands, RDS(on)
- Schnelle Schaltzeiten (Ein-/Ausschalten)
- Enger Schwellenspannungsbereich, VGS(th)
- Erweiterte Qualifizierung über AEC-Q101 hinaus
- Verbesserte elektrische Prüfung
- Das Gehäuse ist bei JEDEC gelistet.
- Ermöglicht ein hervorragendes Wärmemanagement
- 20 % bis 50 % verbesserte thermische Impedanz
- 20 % bis 50 % verbesserter thermischer Widerstand
- Trägt zur Reduzierung des ECU-Volumens oder der PCB-Fläche bei
- Trägt zur PCB-Kostensenkung bei (Fläche, Cu und Vias)
- Reduziert den PCB- und Systemdesignaufwand
- Unterstützt das Erzielen der höchsten Leistungsdichte
- Reduziert Leitungsverluste
- Überlegenes Betriebsverhalten
- Optimal für Parallelanordnung
- Qualität und Robustheit für Fahrzeuganwendungen
- Option für eine zweite Bezugsquelle
Applikationen
- Fahrzeuge:
- 48 V elektrische Servolenkung (EPS)
- LED-Frontbeleuchtung
- DC-AC-Umrichter
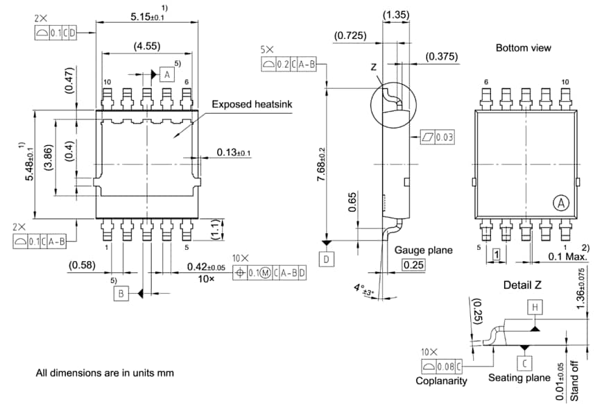
Abmessungen
View Results ( 13 ) Page
| Teilnummer | Datenblatt | Abfallzeit | Id - Drain-Gleichstrom | Verpackung/Gehäuse | Pd - Verlustleistung | Qg - Gate-Ladung | Rds On - Drain-Source-Widerstand | Anstiegszeit | Vds - Drain-Source-Durchschlagspannung | Vgs - Gate-Source-Spannung | Vgs th - Gate-Source-Schwellspannung |
|---|---|---|---|---|---|---|---|---|---|---|---|
| IAUCN08S7L024ATMA1 | ![]() |
20 ns | 177 A | PG-TDSON-8 | 148 W | 65.2 nC | 2.4 mOhms | 9 ns | 80 V | 16 V | 2 V |
| IAUCN10S7L040ATMA1 | ![]() |
14 ns | 130 A | PG-TDSON-8 | 118 W | 44.3 nC | 3.3 mOhms | 5.9 ns | 100 V | 16 V | 2 V |
| IAUZN08S7N046ATMA1 | ![]() |
7 ns | 99 A | PG-TDSON-8 | 94 W | 27.2 nC | 4.6 mOhms | 3.7 ns | 80 V | 20 V | 3.2 V |
| IAUCN08S7L013ATMA1 | ![]() |
35 ns | 293 A | PG-TDSON-8 | 219 W | 120 nC | 1.26 mOhms | 14 ns | 80 V | 20 V | 2 V |
| IAUCN08S7L018ATMA1 | ![]() |
25 ns | 210 A | PG-TDSON-8 | 169 W | 79.9 nC | 1.8 mOhms | 11 ns | 80 V | 20 V | 2 V |
| IAUCN08S7L033ATMA1 | ![]() |
14 ns | 130 A | PG-TDSON-8 | 118 W | 44.3 nC | 3.3 mOhms | 5.9 ns | 80 V | 16 V | 2 V |
| IAUCN08S7N016TATMA1 | ![]() |
20 ns | 262 A | PG-LHDSO-10-3 | 205 W | 83 nC | 1.63 mOhms | 18 ns | 80 V | 20 V | 3.2 V |
| IAUCN08S7N019TATMA1 | ![]() |
17 ns | 223 A | PG-LHDSO-10-2 | 180 W | 68 nC | 1.94 mOhms | 16 ns | 80 V | 20 V | 3.2 V |
| IAUCN08S7N024TATMA1 | ![]() |
16 ns | 186 A | PG-LHDSO-10-1 | 157 W | 54 nC | 2.44 mOhms | 16 ns | 80 V | 20 V | 3.2 V |
| IAUCN08S7N045TATMA1 | ![]() |
9 ns | 103 A | PG-LHDSO-10-1 | 98 W | 27 nC | 4.54 mOhms | 9 ns | 80 V | 20 V | 3.2 V |
Veröffentlichungsdatum: 2025-07-23
| Aktualisiert: 2025-08-19

