Infineon Technologies OptiMOS™ Super Cool Zweikanal-Leistungs-MOSFETs
Super-Cool-Zweikanal-Leistungs-MOSFETs OptiMOS™ von Infineon Technologies sind n-Kanal-Leistungstransistoren in einem SuperSO8-Gehäuse mit Dual-Kühlfunktion für eine verbesserte thermische Leistungsfähigkeit. Die OptiMOS-Leistungs-MOSFETs von Infineon sind zur Erhöhung des Wirkungsgrads, der Leistungsdichte und der Kosteneffizienz ausgelegt. Diese Bauteile verfügen über einen niedrigen Einschaltwiderstand (RDS (on)) und eine niedrige Sperrverzögerungsladung (Qrr), wodurch die Leistungsdichte erhöht und gleichzeitig die Robustheit und Systemzuverlässigkeit verbessert wird. Die +175 °C-Einstufung ermöglicht Designs mit höherer Leistung bei einer höheren Sperrschicht-Betriebstemperatur oder einer längeren Lebensdauer bei gleicher Sperrschicht-Betriebstemperatur.Merkmale
- Doppelseitig gekühltes Gehäuse mit niedrigstem thermischen Sperrschicht-Widerstand auf der Oberseite
- Schnellschaltende MOSFETs für SMPS
- Optimierte Technologie für Synchrongleichrichtung
- Niedriger Einschaltwiderstand RDS (on)
- Niedrige Sperrverzögerungsladung
- 100 % Avalanche-getestet
- -55,0 °C bis +175,0 °C Betriebstemperaturbereich
- Passt zum Standard-SuperSO8-Footprint
- OptiMOS 5 Technologie
- Bleifreie Leitungsbeschichtung und RoHS-konform
- Halogenfrei gemäß IEC61249-2-21
- Höhere Zuverlässigkeit der Lötstelle durch erweiterte Quellenverbindung
Applikationen
- Schaltnetzteile
- Induktives kabelloses Laden
- Lastschalter
- Gleichrichtung der Serverversorgung
- Batteriemanagementsysteme
- LV-Antriebe
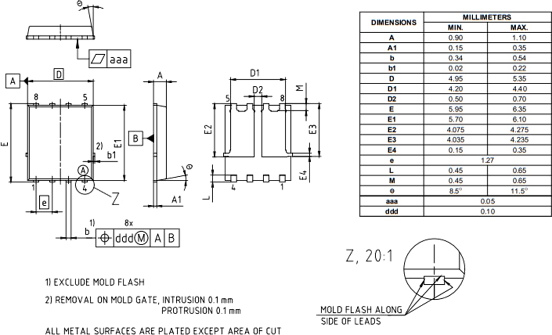
Gehäuseabmessungen
View Results ( 4 ) Page
| Teilnummer | Datenblatt | Vds - Drain-Source-Durchschlagspannung | Rds On - Drain-Source-Widerstand | Qg - Gate-Ladung | Pd - Verlustleistung | Anstiegszeit | Abfallzeit |
|---|---|---|---|---|---|---|---|
| BSC155N06NDATMA1 | ![]() |
60 V | 15.5 mOhms | 29 nC | 50 W | 2 ns | 9 ns |
| BSC076N04NDATMA1 | ![]() |
40 V | 7.6 mOhms | 38 nC | 65 W | 4 ns | 7 ns |
| BSC072N04LDATMA1 | ![]() |
40 V | 7.2 mOhms | 52 nC | 65 W | 4 ns | 25 ns |
| BSC112N06LDATMA1 | ![]() |
60 V | 11.2 mOhms | 55 nC | 65 W | 3 ns | 7 ns |
Veröffentlichungsdatum: 2020-04-14
| Aktualisiert: 2024-10-15

