Infineon Technologies StrongIRFET™ 2 Leistungs-MOSFETs
Infineon Technologies StrongIRFET™ 2 Leistungs-MOSFETs sind n-Kanal-, Normalpegel- und zu 100 % Avalanche-getestete MOSFETs. Die StrongIRFET 2 MOSFETs von Infineon sind für eine große Auswahl von Applikationen optimiert. Die MOSFETs bieten einen VDS-Bereich von 80 V bis 100 V und einen RDS(on) von 2,4 mΩ bis 8,2 mΩ.Merkmale
- Optimiert für eine große Auswahl von Applikationen
- n-Kanal, Normalstufe
- 100 % Avalanche-getestet
- Bleifreie Beschichtung von Leitungen
- RoHs-konform
- Halogenfrei gemäß IEC61249-2-21
Gehäuse Schaltungsapplikation
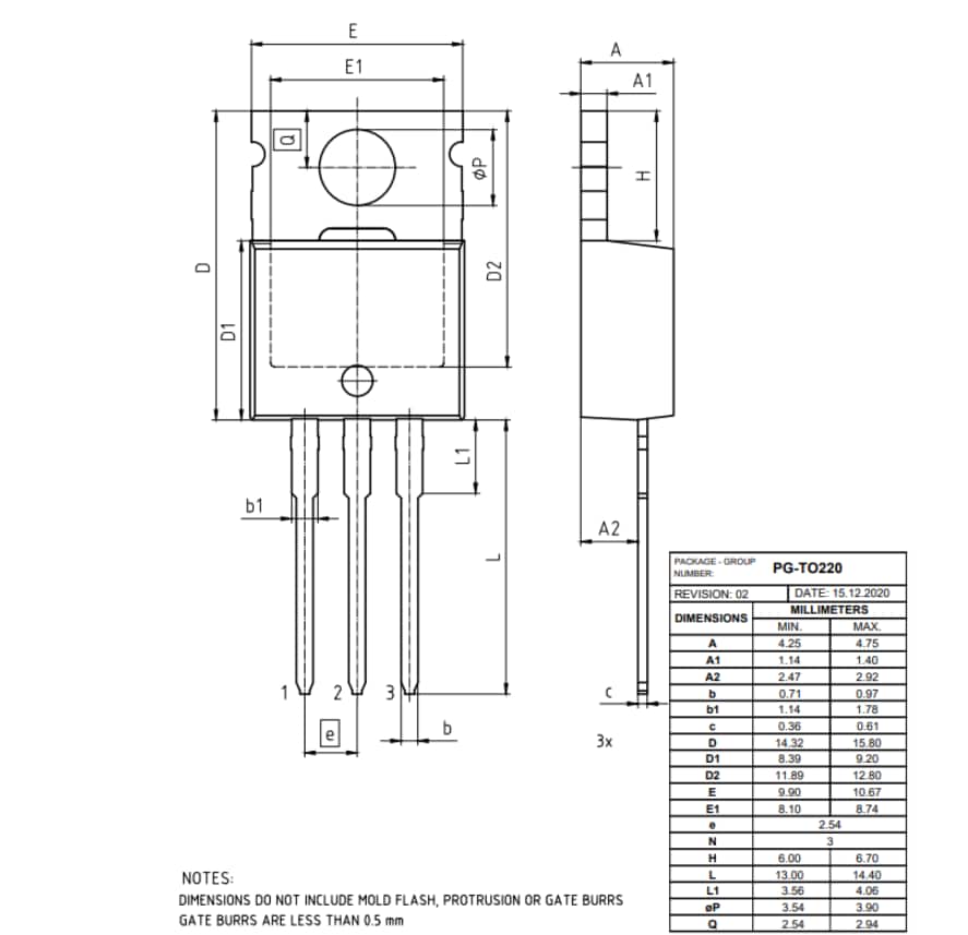
Gehäusetyp
Veröffentlichungsdatum: 2021-01-21
| Aktualisiert: 2025-09-24
