Infineon Technologies TLD5098EP_SEPIC Evaluierungsboard
Das Evaluierungsboard TLD5098EP_SEPIC von Infineon Technologies ist ein AEC-qualifiziertes Evaluierungsboard in einer SEPIC-Topologie, das als LED-Treiber konzipiert ist. Er liefert bis zu 21 W mit einer Effizienz von über 85 %. Wenn die Karte durch Jumper aktiviert ist, verfügt sie über einen Trimmer zur Einstellung des Ausgangsstroms, eine Schaltung zur Leistungsreduzierung und einen Cold Crank Survival Circuit (CCSC).Merkmale
- Trimmer zur Einstellung des Ausgangsstroms
- Schaltung zur Leistungsreduzierung
- Überlebensschaltung für kalte Kurbelwellen
- Liefert bis zu 21 W mit einer Effizienz über 85 %
- Maximaler Ausgangsstrom von 1 A
- 6 V bis 23 V Ausgangsspannungsbereich
- 8 V bis 27 V Versorgungsspannungsbereich
- AEC-qualifiziert
- RoHS-konform
Applikationen
- Tagfahrlicht
- Fernlicht
- Abblendlicht
- Vollscheinwerfer
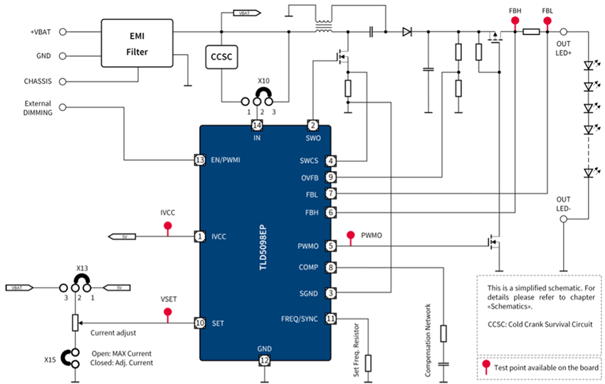
Vereinfachtes Schema
Standard-Konfiguration
Aktuelle Anpassung
Leistungsreduzierung
Cold-Crank-Survival-Schaltung
Veröffentlichungsdatum: 2025-01-31
| Aktualisiert: 2025-02-13
