Infineon Technologies TLE4929C Kurbelwellensensoren

Infineon Technologies TLE4929C Kurbelwellensensoren sind vollständig programmierbare aktive Hall-Sensoren, welche die Drehzahl und Position von Zahnkränzen/Polrädern messen. Diese Sensoren sind mit zwei integrierten Kondensatoren auf dem Leiterrahmen ausgestattet, welche die elektromagnetische Verträglichkeit (EMC) des Bauteils erhöhen. Darüber hinaus nutzen die TLE4929C Sensoren eine Pull-up-Widerstands-RLoad auf dem Ausgangspin zur Bestimmung des maximalen Stroms, der durch den Ausgangstransistor fließt. Diese Sensoren bieten außerdem eine Robustheit über das magnetische Streufeld, einen Richtungserkennungs- und Stopp-Start-Algorithmus, eine hohe Genauigkeit, ein geringer Jitter sowie einen Automotive-Betriebstemperaturbereich. Die TLE4929 Sensoren sind in zwei Varianten verfügbar, wie z. B. TLE4929C-XAN-M28 mit EEPROM vorprogrammiert und gesperrt und TLE4929C-XAF-M28 mit EEPROM freigeschaltet.

Merkmale

  • Differential-Hall-Drehzahlsensor zur Messung von Drehzahl und Position von Zahnkränzen/Polrädern
  • Schaltpunkt in der Mitte des Zahnkranzes, der eine Rückwärtskompatibilität ermöglicht
  • Robustheit über magnetisches Streufeld durch das Differential-Sensorikprinzip
  • Digitales Ausgangssignal mit programmierbarem Ausgangsprotokoll, das eine Diagnoseschnittstelle enthält
  • Hohe Empfindlichkeit ermöglicht großen Luftspalt
  • End-of-Line-programmierbar
  • Dient als Differential-Nockenwellensensor
  • Automotive-Betriebstemperaturbereich
  • Erhältlich in einem RoHS-konformen 3-Pin-Gehäuse
  • Richtungserkennungs- und Stopp-Start-Algorithmus
  • Hohe Genauigkeit und geringer Jitter

Blockdiagramm

Blockdiagramm - Infineon Technologies TLE4929C Kurbelwellensensoren

Applikations-Schaltungs-Diagramm

Applikations-Schaltungsdiagramm - Infineon Technologies TLE4929C Kurbelwellensensoren

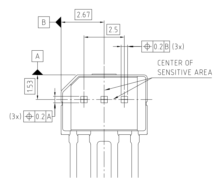
Technische Zeichnung

Technische Zeichnung - Infineon Technologies TLE4929C Kurbelwellensensoren
Veröffentlichungsdatum: 2019-01-07 | Aktualisiert: 2024-04-01