Infineon Technologies TLE7x Low-Side-Leistungsschalter
Infineon Technologies TLE7x Low-Side-Leistungsschalter sind 8-Kanal-Schalter, die zur Steuerung von Relais und LEDs in Fahrzeuganwendungen und Industrieapplikationen ausgelegt sind. Diese Schalter verfügen über eine serielle 16-Bit-Peripherieschnittstelle für Steuerung und Diagnose, eine Verkettungsfähigkeit, ein Überstrom-Latch-OFF, ein thermisches Abschaltungs-Latch-Off und einen Überspannungsschutz. Die Diagnosefunktionen der TLE7x Schalter umfassen Überlasterkennung im EIN-Zustand, offene Lasterkennung im Aus-Zustand, Ausgangstatusüberwachung und Eingangsstatusüberwachung. Darüber hinaus bieten die TLE7x Schalter einen Erdungsverlustschutz, einen Batterieverlustschutz und einen elektrostatischen Entladungsschutz (ESD). Diese AEQ-qualifizierten und RoHS-konformen Schalter gehören zur SPIDER+-Produktfamilie von Schaltern. Diese Schalter eignen sich hervorragend für den Antrieb von Relais, LEDs, Motor- und Automotive- oder Industrieapplikationen, wie z. B. Beleuchtung, Heizung, Motorantrieb, Energie- und Leistungsverteilung.Merkmale
- Serielle 16-Bit-Schnittstelle für Steuerung und Diagnose
- Verkettungsfähigkeit (SPI auch mit 8-Bit-SPI-Bauteilen kompatibel)
- 2 CMOS-kompatible parallelgeschaltete Eingangspins mit Eingangsmapping-Funktionsumfang
- Kaltstartleistung von bis zu VS = 3,0 V (unterstützt LV124)
- Digitaler Versorgungsspannungsbereich, der mit 3,3-V- und 5-V-Mikrocontrollern kompatibel ist
- Sehr niedriger Ruhestrom (mit Nutzung des IDLE-Pins)
- Notlaufmodus (mit Nutzung von IDLE- und IN-Pins)
- Umweltfreundliches Produkt (RoHS-konform)
- Nach AEC qualifiziert
- Schutzfunktionen:
- Kurzschluss-Sicherung zu Masse und Batterie
- Überlast
- Übertemperatur
- Überspannungsschutz
- Schutz gegen elektrostatische Entladungen (ESD)
- Diagnosefunktionen:
- Verriegelte Diagnoseinformationen über SPI-Register
- Überlasterkennung im eingeschalteten Zustand
- Offene Lasterkennung im ausgeschalteten Zustand mit Ausgangsstatus-Überwachungsfunktion
Applikationen
- TLE75008:
- Antriebsrelais, LEDs und Motoren
- Fahrzeuganwendungen oder Industrieapplikationen:
- Beleuchtung, Heizung, Motorantrieb, Energie- und Leistungsverteilung
- TLE7240SL:
- Alle Arten von resistiven, kapazitiven oder induktiven Lasten
- Antriebsrelais in Fahrzeuganwendungen
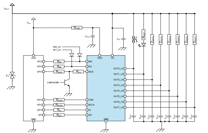
TLE75008-ESD Applikationsdiagramm
TLE75008-ESD Blockdiagramm
Weitere Ressourcen
Veröffentlichungsdatum: 2020-09-01
| Aktualisiert: 2024-11-22
