Infineon Technologies TLS203B0LDV Demonstrationsboard
Das Infineon Technologies TLS203B0LDV Demonstrationsboard ist zur Evaluierung des TLS203B0 rauscharmen Mikropower-Low-Dropout-Spannungsreglers ausgelegt. Diese Bauteil ist in der Lage, einen Ausgangsstrom von 300 mA mit einer Dropout-Spannung von 270 mV zu liefern. Der niedrige Ruhestrom von 30 μA macht das Bauteil ideal für den Einsatz in batteriebetriebenen Systemen. Das TLS203B0LDV Board verfügt über einen großen Eingangsspannungsbereich von 1,8 V bis 20 V und einen einstellbaren Ausgangsspannungsbereich von 1,22 V bis 12 V. Zu den typischen Applikationen gehören Infotainment, Speicher, CPU, Kameras, Hochstrom-Nachregler und Fahrerassistenzsysteme.Merkmale
- Evaluiert den TLS203B0 Spannungsregler
- Rauscharm bis hinunter zu 24 µV
- Großer Eingangsspannungsbereich: 1,8 V bis 20 V
- Niedrige Dropout-Spannung: 270 mV
- Einstellbare Ausgangsspannung: 1,22 V bis 12 V
- Strombelastbarkeit: 300 mA
- Niedriger Ruhestrom: 30 μA
- Niedriger Abschaltstrom: <1 µA
- Stabil mit ≥3,3-μF-Ausgangskondensator
- PG-DSO-8-Gehäuse mit freiliegendem Pad und TSON-10-Gehäuse mit freiliegendem Pad
- AEC-qualifiziert
- RoHS-konform
Applikationen
- Infotainment:
- Kamera
- Display-Versorgung
- Speicher
- CPU
- FPGA-Core-Versorgung
- Hochstrom-Nachregler
- Fahrerassistenzsysteme:
- Radar
- Kamera
Boardübersicht
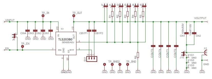
Schaltplan
Veröffentlichungsdatum: 2019-12-10
| Aktualisiert: 2024-02-12
