Infineon Technologies TLS205B0LDV Demonstrationsboard
Das Infineon Technologies TLS205B0LDV Demonstrationsboard ist zur Evaluierung des TLS205B0 rauscharmen Mikropower- und Low-Dropout-Spannungsreglers ausgelegt. Dieses Bauteil ist in der Lage, einen Ausgangsstrom von 500 mA mit einer niedrigen Dropout-Spannung von 300 mV zu liefern. Der niedrige Ruhestrom von 30 μA macht das Bauteil ideal für den Einsatz in batteriebetriebenen Systemen. Das TLS205B0LDV Board verfügt über einen großen Eingangsspannungsbereich von 1,8 V bis 20 V und einen einstellbaren Ausgangsspannungsbereich von 1,22 V bis 12 V. Zu den typischen Applikationen gehören Infotainment, Alarm, Karosseriemodule und -Gateways, Automotive-Universal-ECUs und Zweirad-ECUs.Merkmale
- Rauscharm bis hinunter zu 24 µV
- Evaluiert den TLS205B0 Spannungsregler
- Großer Eingangsspannungsbereich: 1,8 V bis 20 V
- Niedrige Dropout-Spannung: 320 mV
- Einstellbare Ausgangsspannung: 1,22 V bis 12 V
- Strombelastbarkeit: 300 mA
- Niedriger Ruhestrom: 30 μA
- Niedriger Abschaltstrom: <1 µA
- Stabil mit ≥3,3-μF-Ausgangskondensator
- PG-DSO-8-Gehäuse mit freiliegendem Pad und TSON-10-Gehäuse mit freiliegendem Pad
- AEC-qualifiziert
- RoHS-konform - umweltfreundliches Produkt
Applikationen
- Automotive-Universal-ECUs
- Zweirad-ECUs
- Karosseriemodule und -Gateways
- Infotainment, Alarm und Dashboard
Boardübersicht
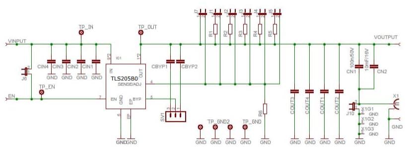
Schaltplan
Veröffentlichungsdatum: 2019-12-12
| Aktualisiert: 2024-02-12
