Infineon Technologies XDPS2201 Hybrid-Flyback-Controller
Der XDPS2201 Hybrid-Flyback-Controller von Infineon Technologies basiert auf einer asymmetrischen Halbbrücken-Steuerung. Diese Halbbrücke steuert einen herkömmlichen Sperrwandler in Verbindung mit einem seriellen Kondensator an. Die Hauptinduktivität des Flyback-Transformators und des seriellen Kondensators bauen einen Resonanzspeicher auf, der zur Erzielung einer Nullspannungsschaltung (ZVS) verwendet wird. Der XDPS2201 Schaltregler verfügt über eine Hochspannungs-Einschaltzelle von 600 V für ein schnelles Laden und einen geringen Standby-Strom. Dieser Controller bietet eine Spitzenstrommodussteuerung für eine robuste und schnelle Leitungs- und Laststeuerung. Der XDPS2201 Schaltregler-IC eignet sich hervorragend für den Einsatz in AC/DC-SNT-Adaptern und Adaptern mit extrem hoher Leistungsdichte.Merkmale
- Integrierter Halbbrücken-Treiber in einem DSO-14-Gehäuse (150 mil)
- Hochspannungs-Einschaltzelle von 600 V für ein schnelles Laden und einen geringen Standby-Strom
- Spitzenstrommodussteuerung für eine robuste und schnelle Leitungs- und Laststeuerung.
- Burst-Modus-Ein-/Ausgangsbetrieb basierend auf der Schätzung des Ausgangsstroms
- Primärseitiger Ausgangsüberspannungsschutz
- Unterstützt die niedrigste Nulllast-Standby-Leistung von < 75 mW
- Große Auswahl von konfigurierbaren Parametern über eine UART-Pin-Schnittstelle
- Niedrigste erforderliche Stückliste
- Konfigurierbarer Brown-Out-/Brown-In-Schutz
- Konfigurierbarer integrierter Soft-Start
- Konfigurierbarer Ausgangsüberspannungsschutz
- Konfigurierbare Schwellenwerte für dein Eingangs- und Ausgangsstrom im Burst-Modus mit kleiner Hysterese
- Konfigurierbarer Überstromschutz mit zwei Stufen für Spitzen- und Transientenlast
- Konfigurierbare Frequenzreduzierung mit Überspringen des Zyklus für einen verbesserten niedrigen Lastwirkungsgrad
- Konfigurierbarer Jitter für Schaltfrequenz
- Konfigurierbare Laufzeitverzögerungskompensation für eine genaue Spitzenstromsteuerung
- Bleifreie Beschichtung von Leitungen
- RoHS-konform und halogenfrei gemäß IEC61249-2-21
Applikationen
- AC/DC-SNT
- Adapter mit extrem hoher Leistungsdichte von > 20 W/Zoll3
- SNT mit extrem hohem Wirkungsgrad von > 93 %
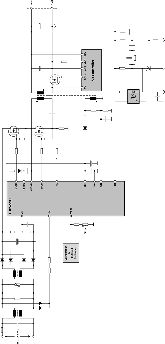
Typische Applikations-Schaltung
Blockdiagramm
Veröffentlichungsdatum: 2021-03-25
| Aktualisiert: 2022-03-11
