JAE Electronics IL-WX Board-to-Board SMT Connectors

JAE Electronics IL-WX Board-to-Board SMT Connectors is designed with extremely small spacing and 0.8mm pitch with double row contact arrangement. These board-to-board connectors feature Surface Mount Technology (SMT) contact configuration for automatic mounting. Combinations of socket receptacle (straight) and pin header (straight/right angle) enable vertical and parallel connections. The IL-WX board-to-board SMT connectors are low-profile connectors connected between parallel boards spaced 4.5mm. These SMT connectors operate at -40°C to +85°C temperature range. Applications include video camera and OA equipment.

Features

  • Low-profile, a connection between parallel boards spaced 4.5mm
  • Combinations of socket receptacle (straight) and pin header (straight/ right angle) enable vertical and parallel connections
  • The boss on both sides of the connector bottom ensures correct positioning on board
  • The right angle pin header is designed with metallic hold-downs on both sides, preventing floating-up during automatic packaging and improves retention on board
  • Configuration suited for automatic packaging
  • Sufficient adsorbing face
  • High contact reliability ribbon type contact resistant to twisting
  • Terminal length easy to be recognized by the image

Specifications

  • 0.8mm pitch double row
  • 0.5A current rating
  • 200VAC and 300VDC voltage rating
  • 500Vrms (1 min) AC dielectric withstand voltage
  • 100MΩ (minimum) insulation resistance
  • 20mΩ (maximum) contact resistance
  • -40°C to +85°C operating temperature range

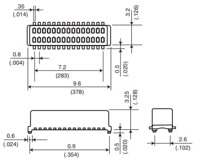
Dimensions

Mechanical Drawing - JAE Electronics IL-WX Board-to-Board SMT Connectors
Veröffentlichungsdatum: 2019-06-28 | Aktualisiert: 2023-04-27