LEM HAT Current Sensors
LEM HAT Current Sensors are designed for accurate electronic measurement of DC, AC, and pulsed currents while ensuring galvanic isolation between the primary and secondary circuits. These sensors ensure efficient signal processing with an instantaneous voltage output of ±4V and a bipolar power supply requirement of ±15V. The HAT current sensors feature a 25kHz DC bandwidth that enables precise monitoring of dynamic current variations. These compact transducers support current measurements ranging from 200A to 1500A, making them ideal for high-power applications.The HAT current sensors are built on Hall effect open-loop technology and deliver reliable and cost-effective current measurement solutions for industrial environments. Typical applications include DC motor drives, Switched Mode Power Supplies (SMPS), AC variable speed drives, Uninterruptible Power Supplies (UPS), and power supplies for welding.
Features
- Hall effect measuring principle
- Insulating plastic case recognized according to UL 94-V0
- Easy installation
- Low power consumption
- Small size and space saving
- Only one design for a wide current ratings range
- High immunity to external interference
Applications
- DC motor drives
- Switched Mode Power Supplies (SMPS)
- AC variable speed drives
- Uninterruptible Power Supplies (UPS)
- Battery supply
- Power supplies for welding
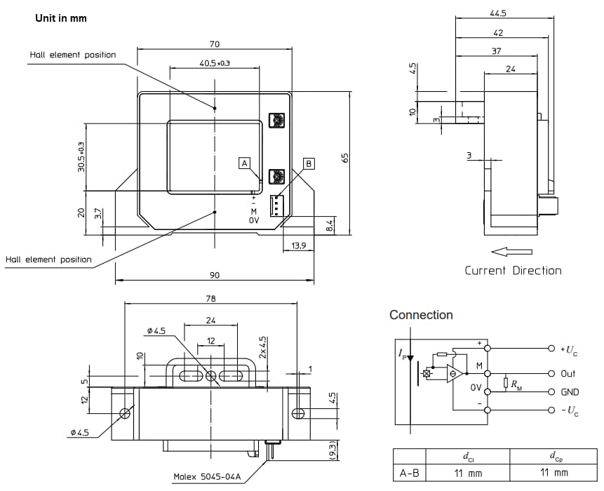
Mechanical Diagram
Veröffentlichungsdatum: 2025-10-07
| Aktualisiert: 2025-10-09
