Littelfuse Sicherungshalter der Baureihe 482
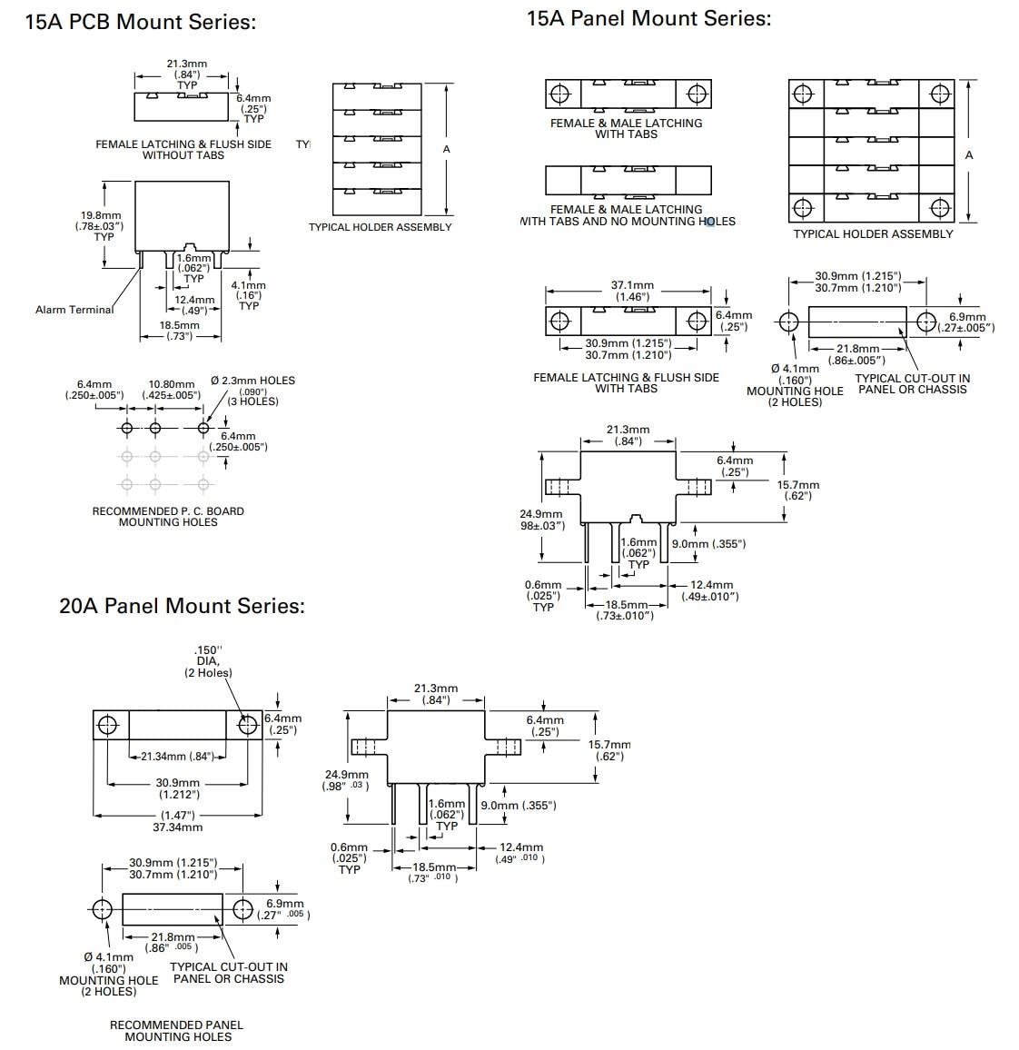
Die Sicherungshalter der Baureihe 482 von Littelfuse sind für die Verwendung mit Alarmanzeigesicherungen des Typs 481 vorgesehen. Diese Sicherungshalter für Spezialapplikation sind auch für Ersatzsicherungen anderer Hersteller geeignet. Die 482-Sicherungshalter sind in drei Versionen erhältlich, nämlich PCB-Montage-15-A, Panelmontage-20-A und Panelmontage-15-A. Diese Sicherungshalter sind ideal für den Einsatz in Telekommunikations- und Schalttafelschaltungen.PCB-Montage-15-A: Diese Sicherungshalter können direkt auf eine Leiterplatte gelötet werden und sind für bis zu 15 A ausgelegt. Erhältlich in einpolig oder gruppierbar bis zu 20 Pole. Die Sicherungshalter sind kodiert, um das Einsetzen von 20-A-Sicherungen zu verhindern.
Panelmontage-20-A: Die 20-A-Sicherungshalter sind in einer einpoligen Version mit einer Nennspannung von bis zu 20 A mit großen Litzen zur Drahtbefestigung erhältlich.
Panelmontage-15-A: Die gruppierbaren 15-A-Versionen von Sicherungshaltern sind kodiert, um das Einsetzen von 20-A-Sicherungen zu verhindern.
Technische Daten
- 15A PCB-Montage und Panelmontage:
- Eingestuft bei 15 A bis zu 125 VAC/VDC
- Thermoplastisches (UL 94V-0) Gehäusematerial
- Verzinnter Berylliumkupfer-Sicherungsklemmenwerkstoff
- Material der Alarmklemmen aus verzinntem Messing
- Betriebstemperaturbereich: –55 °C bis +125 °C
- Hält fünf Thermoschockzyklen von -55 °C bis 125 °C stand
- Gemäß MIL-STD-202 Schwingungen
- Isolationswiderstand von mehr als 10.000 Ω (nach dem Öffnen)
- 20A Panelmontage:
- Eingestuft bei 20 A bis zu 125 VAC/VDC
- Thermoplastisches (UL 94V-0) Gehäusematerial
- Verzinnter Berylliumkupfer-Sicherungsklemmenwerkstoff
- Material der Alarmklemmen aus verzinntem Messing
- Betriebstemperaturbereich: -40 °C bis +85 °C
- Hält fünf Thermoschockzyklen von -55 °C bis 125 °C stand
- Gemäß MIL-STD-202 Schwingungen
- Isolationswiderstand von mehr als 10.000 Ω (nach dem Öffnen)
Applikationen
- Alarmanzeigende Sicherungen des Typs 481
- Telekommunikation
- Schaltkreise der Steuertafel
Abmessungen (mm)
View Results ( 67 ) Page
| Teilnummer | Datenblatt | Beschreibung | Montageart | Nennspannung | Montage |
|---|---|---|---|---|---|
| 04820010ZXBF | ![]() |
Sicherungshalter 10 Pole PCB Mount | PCB Mount | 125 VAC/DC | PC Pin |
| 04820004ZXB | ![]() |
Sicherungshalter 4 Pole PCB Mount | PCB Mount | 125 VAC/DC | PC Pin |
| 04820010ZXBFH | ![]() |
Sicherungshalter ACS ALARM HLDR PCB MT L/T 10 POLE | PCB Mount | 125 VAC/DC | PC Pin |
| 04820002ZXB | ![]() |
Sicherungshalter 2 Pole PCB Mount | PCB Mount | 125 V | Through Hole, Vertical |
| 04822001ZXPF | ![]() |
Sicherungshalter 1 Pole Panel Mount | Panel Mount | 125 VAC/DC | Wire Leads |
| 04820001ZXB | ![]() |
Sicherungshalter 1 Pole PCB Mount | PCB Mount | 125 VAC/DC | PC Pin |
| 04820001ZXPF | ![]() |
Sicherungshalter 1 Pole Panel Mount | Panel Mount | 125 V | |
| 04820004ZXBF | ![]() |
Sicherungshalter 4 Pole Flush PCB Mount | PCB Mount | 125 V | Through Hole, Vertical |
| 04822001ZXPFSH | ![]() |
Sicherungshalter 1 Pole Panel Mount | Panel Mount | 125 V | Screw |
| 04820002ZXBF | ![]() |
Sicherungshalter 2 Pole Flush PCB Mount | PCB Mount | 125 V | Through Hole |
Veröffentlichungsdatum: 2022-06-14
| Aktualisiert: 2022-06-30

