Littelfuse LS24062RQ23 Bidirektionale eFuse
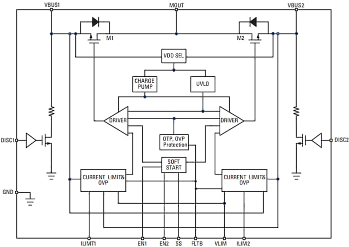
Die Littelfuse LS24062RQ23 bidirektionale eFuse bietet zwei Eingangs-/Ausgangsanschlüsse VBUS1 und VBUS2 mit einer absoluten maximalen Nennspannung von 30 V. Jeder Anschluss bietet eine externe Strombegrenzungseinstellung sowie unabhängige Aktivierungs- und Entlade-Steuerpins. Dieser fortschrittliche bidirektionale Lastschalter von 28 V, 6A schützt vor Überlastung, Kurzschlüssen, Eingangsspannungsspitzen, einen übermäßigen Einschaltstrom und Übertemperatur. Mit dem integrierten 24-mΩ-Leistungsschalter mit extrem niedrigem RDS(ON) kann der Leistungsverlust während des Normalbetriebs reduziert werden. Littelfuse LS24062RQ23 Bidirektionale eFuse wird in einem flachen 2,5 mm x 3,2 mm 16-lead QFN-Gehäuse geliefert. Typische Applikationen sind Notebooks, Desktop-PCs, Server, Tablets, Dongles und Dockingstationen, Stromversorgungszubehör sowie Thunderbolt / USB Type-C® PD- Leistungsschalter.Merkmale
- Breiter Versorgungsspannungsbereich von 3 V bis 24 V
- 30 V Toleranz am Anschluss VBUS1 und VBUS2
- Integriert 24 mΩ ultraniedrigen Schalter RDS (ON)
- Extern einstellbare Soft-Start-Zeit
- Extern einstellbarer Eingangsüberspannungsschwellwert
- Kurzschluss-Sicherung
- Fehleranzeige
- Übertemperaturschutz und automatische Wiederherstellung
- Jeder Anschluss VBUS1/VBUS2 unabhängige Steuerung
- Externe einstellbare Strombegrenzung
- Freigabe des Schnittstellenpins
- Anschluss Entladungsschnittstellenpin
- 2,5 mm x 3,2 mm 16-poliges QFN-Gehäuse
- Bleifrei und RoHS-konform
- UL-Anerkennung gemäß UL 62368-1
Applikationen
- Notebooks, Desktops, Server und Tablets
- Dongle und Docking-Stationen
- Leistungszubehör
- Thunderbolt/USB-Typ-C-PD Leistungsschalter
Typische Applikation
Funktionales Blockdiagramm
Veröffentlichungsdatum: 2022-12-21
| Aktualisiert: 2025-07-23
