M5Stack K130 M5Dial

M5Stack K130 M5Dial is an embedded development board with the M5StampS3 main controller, a micro module based on the ESP32-S3 high-performance chip. This device features a rotary encoder that records the position and direction of the knob to deliver an improved interactive experience. The K130 M5Dial also features a 1.28″ round TFT touchscreen, a buzzer, under-screen buttons, and an RFID detection module. This device supports a 6V to 36V DC input voltage range and reserves two PORTA and PORTB interfaces to support the expansion of I2C and GPIO devices.

The K130 M5Dial offers a lithium battery interface with a charging circuit to meet various power requirements. This board is compatible with Arduino, UIflow, and ESP-IDF programming platforms. Typical applications include smart home control, Internet of Things (IoT), access control systems, and industrial control.

Features

  • Based on the ESP32-S3 high-performance chip
  • 1.28″ round TFT touchscreen, RTC circuit, and rotary encoder
  • WS1850S RFID detection module
  • 6V to 36V input voltage range
  • DC 4.2V/1.9μA standby current
  • Offer lithium battery interface and charging circuit
  • Reserved PORTA and PORTB interfaces
  • Arduino, UIFlow, and ESP-IDF programming platforms
  • 45mm x 45mm x 32.3mm product size
  • Lightweight design

Applications

  • Smart home control
  • Internet of Things (IoT)
  • Access control systems
  • Industrial control

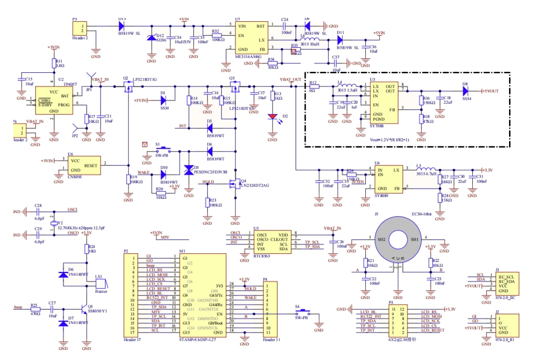
Schematic Diagram

Schematic - M5Stack K130 M5Dial

Overview

M5Stack K130 M5Dial

Videos

Veröffentlichungsdatum: 2023-12-19 | Aktualisiert: 2024-01-11