MACOM CGHV31500F1-AMP Evaluierungsboard
Das Wolfspeed CGHV31500F1-AMP Evaluierungsboard ermöglicht die Evaluierung des CGHV31500F1 2,7 GHz – 3,1 GHz, 500 W GaN HEMT. Der CGHV31500F1 HEMT liefert eine erweiterte Impulskapazität, um die sich entwickelnden Trends in Radararchitekturen zu erfüllen. Das CGHV31500F1 ist speziell für das S-Band-Radarband von 2,7 GHz bis 3,1 GHz ausgelegt.Das Wolfspeed CGHV31500F1-AMP Evaluierungsboard wird mit eingebautem CGHV31500F1 HEMT geliefert.
Merkmale
- 500 W Psat
- >65% DE
- 13 dB LSG
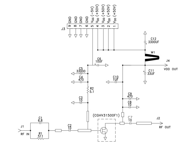
Schematische Zeichnung
Veröffentlichungsdatum: 2021-11-15
| Aktualisiert: 2024-01-18
