MACOM CMPA1C1D080F-AMP Evaluierungsboard
Das CMPA1C1D080F-AMP Evaluierungsboard von Wolfspeed ermöglicht Benutzern die Evaluierung des CMPA1C1D080F Leistungsverstärkers. Der CMPA1C1D080F 90-W-GaN-MMIC-Leistungsverstärker mit 12,75 GHz bis 13,25 GHz nutzt den leistungsstarken 0,25-um-GaN von Cree im SiC-Produktionsprozess. Der HPA wird in einem verschraubten Flanschgehäuse angeboten, das ein außergewöhnliches Wärmemanagement bietet.Das CMPA1C1D080F-AMP Evaluierungsboard von Wolfspeed wird mit dem installierten CMPA1C1D080F Verstärker geliefert.
Merkmale
- PSAT: 90 W (typisch)
- Leistungswirkungsgrad von >21 % (typisch)
- 25 dB Small Signal Gain
- 20 W Ausgangsleistung insgesamt bei -30 dBc IM3
- Betrieb bis zu 40V
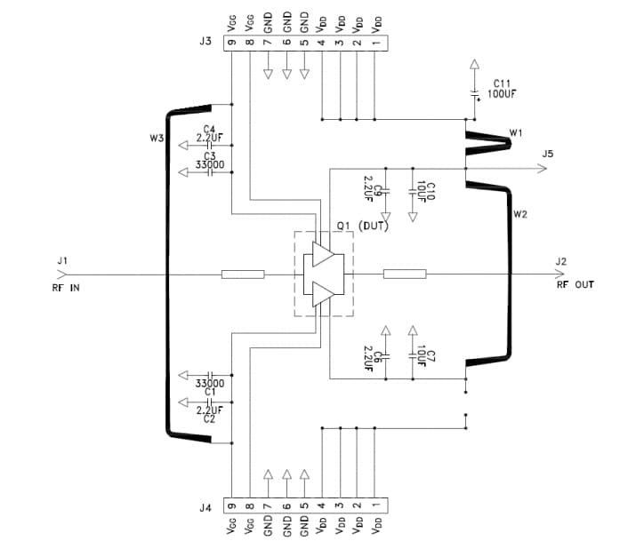
Applikations-Schaltung
Veröffentlichungsdatum: 2021-09-10
| Aktualisiert: 2024-01-17
