MACOM CMPA2735075F1-AMP Demonstrations-Verstärkerschaltung

Die Wolfspeed/Cree CMPA2735075F1-AMP Demonstrations-Verstärkerschaltung bietet ein Evaluierungsboard mit den CMPA2735075F GaN-MMICs, die in einem quadratischen, verschraubbaren Gehäuse von 0,5 Zoll (1,27 cm) untergebracht sind. Die CMPA2735075F MMICs enthalten ein reaktiv abgestimmtes zweistufiges Verstärkerdesign, das sehr hohe Bandbreiten erzielt. Der CMPA2735075F bietet eine Spitzenausgangsleistung von 75 W, eine Betriebsspannung von 28 V und einen Frequenzbereich von 2,7 bis 3,5 GHz. Die CMPA2735075F1-AMP Demonstrations-Verstärkerschaltung verfügt über eine Betriebsspannung von 28 V und einen Frequenzbereich von 2,7 GHz bis 3,5 GHz.

Merkmale

  • Test board with a CMPA2735075F GaN MMIC
  • 28V operating voltage
  • 2.7GHz to 3.5GHz frequency range
  • 0.5" square screw-down package

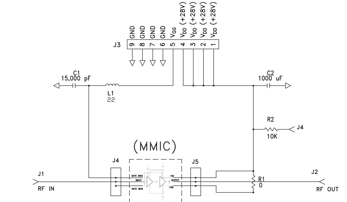
Schaltplan

Schaltplan - MACOM CMPA2735075F1-AMP Demonstrations-Verstärkerschaltung
Veröffentlichungsdatum: 2019-05-07 | Aktualisiert: 2024-01-22