MEAN WELL Bidirektionale BIC-2200 AC/DC-Netzteile
MEAN WELL BIC-2200 Bidirektionale AC/DC-Netzteile sind vollständig digitale 2,2-KW-Netzteile mit Energie-Recycling in einem 1U-Design mit niedrigem Profil. Diese Bauteile sind zur Steuerung der Leistungsübertragung vom AC-Netz zu DC und DC zum AC-Netz für das Energie-Recycling ausgelegt. Die integrierten Funktionen umfassen eine aktive Stromaufteilung, eine Fern-EIN-/AUS-Steuerung und ein optionales CANBus-Protokoll. Die bidirektionalen BIC-2200 AC/DC-Netzteile von MEAN WELL bieten Design-Flexibilität für Batterieformatierungs- und Testanlagen, V2G-Systeme (Fahrzeug-zu-Netz), Ladestationen, Lasersysteme und kinetische Rückgewinnungssysteme.Merkmale
- 1-HE-Design mit niedrigem Profil
- Vollständig digitales Design mit einem Umwandlungswirkungsgrad von 93 % für sowohl die AC/DC- als auch die DC/AC-Umwandlung
- Ultraschnelle Schaltzeit zwischen AC/DC und DC/AC von 1 ms
- CB/UL/TÜV CB/TÜV/UL 62368-1 zertifiziert, Design bezieht sich auf die IEC 62477 Regulierung
- Aktive Stromaufteilung bis zu 11.000 W (4+1)
- Lade- und Entlademodus mit CANBus-Befehl (optional)
- Schutzfunktionen
- Anti-Islanding
- AC-Ausfall
- DC-OVP
- OLP
- OCP
- OTP
- Niedriger THDi von < 3 % in beiden Umwandlungsmodi
- 5 Jahre Garantie
Applikationen
- Formatieren und Einstufen von Batteriezellen
- V2G-Systeme (Fahrzeug-zu-Netz)
- Marine-Akkuladegerätmodule
- Ladestation für Elektroroller oder Fahrzeug
- Kinetische Energierückgewinnungssysteme
- Elektrolyse-Systeme
- Abwasseraufbereitungsanlagen
Technische Daten
- AC-zu-DC-Richtung
- Ausgang
- Spannungsbereich: 12 VDC bis 96 VDC
- Nennstrombereich: 22,5 A bis 180 A
- Nennleistung: 2.160 W
- Maximale Welligkeit und Rauschen: 160 mVp-p bis 480 mVp-p
- Spannungstoleranz: ±1,0 %
- Leitungs-/Lastregelung: ±0,5 %
- Eingang
- Spannungsbereich: 180 VAC bis 264 VAC
- Frequenzbereich: 47 Hz bis 63 Hz
- Wirkungsgrad: 90 % bis 93 %
- Typischer AC-Strom: 11 A/230 VAC
- Typischer Einschaltstrom, Kaltstart: 35 A/230 VAC
- Ableitstrom: < 2 mA/230 VAC
- Ausgang
- Abmessungen: 330 mm x 140 mm x 41 mm (LxBxH)
- DC-zu-AC-Richtung
- Eingang
- Nenneingangsleistung: 1.800 W
- Vollständiger Leistungsspannungsbereich: 12 V bis 112 V
- Spannungsbereich: 10 VDC bis 112 VDC
- Maximaler Eingangsstrom: 18,75 A bis 150 A
- Ausgang
- Spannungsbereich: 180 VAC bis 264 VAC
- Frequenzbereich: 47 Hz bis 63 Hz
- Typischer AC-Strom: 7,5 A/230 VAC
- Wirkungsgrad: 90,5 % bis 93 %
- Eingang
- Temperaturbereiche
- Betriebstemperatur: -30 °C bis +70 °C
- Lagertemperatur: -40 °C bis +85 °C
- Relative Feuchtigkeit, nicht kondensierend
- Betriebsfeuchtigkeit: 20 % bis 90 %
- Lagerfeuchtigkeit: 10 % bis 95 %
Videos
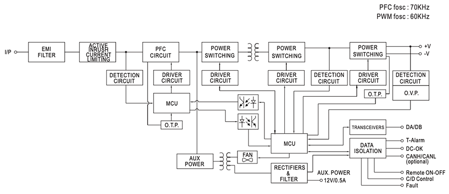
Blockdiagramm
Weitere Ressourcen
View Results ( 4 ) Page
| Teilnummer | Datenblatt | Beschreibung |
|---|---|---|
| BIC-2200-24 | ![]() |
Power Supplies - Chassis Mount A/D +24V90A ; D/A +24V75A |
| BIC-2200-48 | ![]() |
Power Supplies - Chassis Mount A/D +48V45A ; D/A +48V37.5A |
| BIC-2200-96 | ![]() |
Power Supplies - Chassis Mount A/D +96V22.5A ; D/A +96V18.5A |
| BIC-2200-12 | ![]() |
Power Supplies - Chassis Mount A/D +12V180A ; D/A +12V150A |
Veröffentlichungsdatum: 2021-08-02
| Aktualisiert: 2025-08-12

