MEAN WELL Intelligente Akkuladegeräte NPB-450
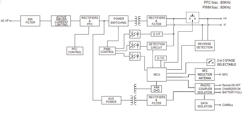
Die intelligenten Akkuladegeräte NPB-450 von Mean Well sind vielseitige miniaturisierte Ladegeräte, die mit der Technologie zur automatischen Erkennung der Batteriespannung ausgestattet sind. Diese Ladegeräte enthalten eine Nahfeldkommunikation (nfc) zum Einrichten von Ladeparametern und zwecks Auswahl eines 2/3-stufigen Ladevorgangs. Die NPB-450 Ladegeräte enthalten ein integriertes CAN-Bus-Verbindung-Protokoll für die Ferneinstellung von Ladekurven und die Überwachung des Ladestatus. Das DIP S.W auf der Frontplatte ermöglicht es dem Benutzer, die 2/3-stufige Ladung manuell anzupassen und zwischen den vier Arten von voreingestellten Ladekurven auszuwählen. Die NPB-450 Ladegeräte bieten Schutz gegen Kurzschluss, Überspannung, Übertemperatur und Batterieverpolung.Die NPB-450 Ladegeräte verfügen über einen thermisch gesteuerten DC-Lüfter zur Rauschunterdrückung, eine Ein-/Aus-Fernsteuerung und einen typischen Ableitstrom von <1 mA von der Batterie. Darüber hinaus verfügen diese Akkuladegeräte über eine Betriebsfeuchtigkeit von 20 % rF bis 95 % rF (nicht kondensierend), einen Frequenzbereich von 47 Hz bis 63 Hz und eine automatische Leistungsreduzierung für das Laden während Überhitzung. Die NPB-450 Ladegeräte sind gemäß CB, UL, DEKRA, CE und UKCA zertifiziert. Diese Ladegeräte werden in AGV, Rasenmährobotern, Überwachungssystemen, Waschrobotern, E-Bikes und Telekommunikations-Basisstationen verwendet.
Merkmale
- Integrierte CANBus-Kommunikationsschnittstelle für die Ferneinstellung von Ladekurven und die Überwachung des Ladestatus
- Die NFC-Schnittstelle ermöglicht die Auswahl von 2/3-Ladung und Einrichtung von Ladeparametern
- DIP S.W. ermöglicht die Anpassung der 2/3-Ladung und die Auswahl zwischen 4 voreingestellten Ladekurven
- Automatische Leistungsreduzierung beim Laden während Überhitzung
- Thermisch gesteuerter DC-Lüfter zur Rauschdämpfung
- Externer NTC-Temperaturausgleich zur Verhinderung einer schnellen Verschlechterung der Batterie
- Geeignet für Blei-Säure- und Lithium-Batterien
- Mehrere intelligente Schutzfunktionen:
- Kurzschluss
- Überspannung
- Übertemperatur
- Niedriger Batteriestand
- Batterieverpolung
- Zertifiziert von CB, UL, DEKRA, CE und UKCA
- 3 Jahre Garantie
Applikationen
- Überwachungssysteme
- Busse, E-Bikes, E-Scooter und Campingautos
- Rasenmähroboter
- Waschroboter
- Freizeitboote, persönliche Yachten und Arbeitsboote
- Fahrerlose Transportfahrzeuge (FTFs)
- Telekommunikations-Basisstationen
- Funksystem-Backup-Lösungen
- Ausrüstung oder instrument mit Backup-Batterie
Technische Daten
- NPB-450-12NFC:
- Ausgangsspannungsbereich: 10,5 V bis 21 V
- Maximaler Ausgangsstrom: 25 A
- Maximale Ausgangsleistung: 420 WW
- Empfohlene Batteriekapazität: 90 AH bis 300 AH
- APB-450-24NFC:
- Ausgangsspannungsbereich: 21 V bis 42 V
- Maximaler Ausgangsstrom von 13,5 A
- Maximale Ausgangsleistung: 453,6 WW
- Empfohlene Batteriekapazität: 45 AH bis 155 AH
- NPB-450-49NFC:
- Ausgangsspannungsbereich: 42 V bis 80 V
- Maximaler Ausgangsstrom von 6,8 A
- Maximale Ausgangsleistung: 456,96 WW
- Empfohlene Batteriekapazität: 24 AH bis 80 AH
- NPB-450-72NFC:
- Ausgangsspannungsbereich: 54 V bis 100 V
- Maximaler Ausgangsstrom von 5,5 A
- Maximale Ausgangsleistung: 462 WW
- Empfohlene Batteriekapazität: 19 AH bis 64 AH
Blockdiagramm
Applikationsbeispiel
Weitere Ressourcen
- Produktbeschreibung (Englisch)
- Produktbeschreibung (traditionelles Chinesisch)
- Datenblatt (China)
- Produktübersicht (Chinesisch)
- Drahtlose Smart-Lade-Programmierlösung (Englisch)
- Drahtlose Smart-Lade-Programmierlösung (Chinesisch)
- Technische Erkenntnisse: Tragbare Energiespeicher-USV-Systemlösung (Englisch)
- Technische Erkenntnisse: Tragbare Energiespeicher-USV-Systemlösung (traditionelles Chinesisch)
- Technische Erkenntnisse: Tragbare Energiespeicher-USV-Systemlösung (vereinfachtes Chinesisch)
Veröffentlichungsdatum: 2023-11-06
| Aktualisiert: 2024-10-07
