Microchip Technology ADM00873 Evaluierungsboard

Das Microchip Technology ADM00873 Evaluierungsboard ist eine vollständig bestückte, programmierte und getestete Lösung zur Evaluierung und Demonstration des Betriebsverhaltens des MCP331x1. Der MCP331x1 ist ein Baseline-Einkanal-12-/14-/16-Bit-SAR-Analog-Digital-Wandler (ADC) mit 1 MS/s. Das ADM00873 Evaluierungsboard ist mit dem MCP331x1 Bauteil bestückt.

Das ADM00873 Evaluierungsboard ist für den Betrieb mit dem Curiosity PIC32MZEF Development Board (DM320104) und der SAR-ADC-Utility-Software ausgelegt. Das Curiosity PIC32MZEF Development Board (DM320104) ist eine vollintegrierte 32-Bit-Entwicklungsplattform, die über den leistungsstarken PIC32MZ PIC®-Mikrocontroller der EF-Baureihe (PIC32MZ2048EFM100) verfügt. Das DM320104 wird für die Erfassung der digitalen Daten aus dem ADM00873 Evaluierungsboard verwendet.

Merkmale

  • Vollständiger analoger Eingangsbereich: -VREF bis +VREF
  • ADM00873 mit MCP33131D/21D/11d: –4 VPP bis +4 VPP
  • Evaluierung der Leistungskennzahlen, wie zum Beispiel: SRV, SFDR INL, DNL und so weiter
  • Dynamische Leistungsüberwachung
  • Fähigkeit zum Speichern und laden von Softwarekonfigurationen
  • Fähigkeit zum Speichern und Laden von Rohdaten für die Benutzer-Nachbearbeitung

Lieferumfang Kit

  • 1 x ADM00873 SAR-ADC-Evaluierungsboard
  • 1 x 9-V-Netzteil

Erforderliche Ausrüstung

  • Curiosity PIC32MZEF Development Board (DM320104)
    • Separat erhältlich
  • Typ-A-Stecker-zu-Mikro-B-USB-Kabel
    • Im Lieferumfang des Kits nicht enthalten
  • Externer Signaleingang
    • Wird vom Benutzer bereitgestellt
  • SAR-ADC-Utility-Software
    • Verfügbar auf der Website von Microchip

ADM00873 ist mit dem Curiosity PIC32MZEF Development Board verbunden

Schaltungsanordnung - Microchip Technology ADM00873 Evaluierungsboard

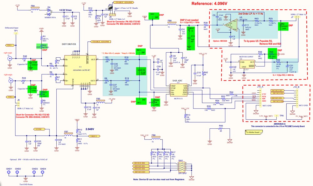
Schaltplan

Schaltplan - Microchip Technology ADM00873 Evaluierungsboard
Veröffentlichungsdatum: 2019-06-13 | Aktualisiert: 2023-06-02