Microchip Technology EV28J28A Ultraschall-Netzteil-Evaluierungsboard
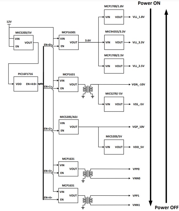
Das Microchip BLUETOOTH EV28J28A Ultraschall-Stromversorgungs-Evaluierungsboard verfügt über alle erforderlichen Spannungsschienen für Ultraschall-Impulsgeber und Mux-Demos. Dieses Evaluierungsboard bietet eine Leistungssequenzierung und einen Fehlerschutz. Darüber hinaus unterstützt das EV28J28A Evaluierungsboard eine externe Synchronisierung. Dieses Board verarbeitet automatisch die Power-UP und die Abschaltsequenzierung, die für die Impulsgeber-Demonstrationsboards erforderlich sind.Merkmale
- Enthält alle erforderlichen Spannungsschienen für Ultraschall-Impulsgeber und Mux-Demos
- Leistungssequenzierung und Fehlerschutz
- Unterstützt externe Synchronisierung
- Einzelner 12-V-Eingang (auch kompatibel mit einer Standard 2,5-mm-Netzbuchse)
- Automatische Ein-/Ausschaltsequenzierung
- VNN-Schienen. die in entgegengesetzter Polarität zu VPP-Schienen konfigurierbar sind
- Verfügbare unabhängige Schienen:
- 1,8 V, 2,5 V, 3,3 V, 5 V, -5 V, 10 V, -10 V, VPP0, VN0, VPP1 und VN1
- VPP-Schienen konfigurierbar als:
- 60 V, 80 V, 90 V oder 100 V
- Optionale externe Synchronisierung für VPP0, VNN0, VPP1, VNN1 und -10 V
- 1,8 V, 2,5 V, 3,3 V, 5 V, -5 V und 10 V Schienen, die von LDOs mit geringer Welligkeit bereitgestellt werden
- Status-LEDs für alle Spannungsschienen
- Fehlerüberwachung für VPP0-, VN0-, VPP1- und VNN1-Schienen mit automatischer Abschaltsequenz im Fehlerfall
Blockdiagramm
Leistungsboard-Referenzdesign
Weitere Ressourcen
Veröffentlichungsdatum: 2024-09-05
| Aktualisiert: 2024-11-20
