Microchip Technology HV56022 Haptisches 250-V-Dual-Antriebsverstärker-Array
Das Microchip Technology HV56022 haptische 250-V-Dual-Antriebsverstärker-Array ist zur Ansteuerung von haptischen Betätigern (Piezo) bei 225 V ausgelegt. Das Array arbeitet mit einem minimalen Quellen-/Senkenstrom von 40 mA. Die Verstärker sind für eine -3dB-Bandbreite von 124 Hz für sinusförmige Wellenformen von 225 V ausgelegt, die kapazitive Lasten von 0,22 μF ansteuern.Merkmale
- Dual-Hochspannungs-Operationsverstärker
- Bis zu +225 V
- Senken-/Quellenstrom mit einem Spitzenausgang von 40 mA (min.)
- Ausgangsspannungs-Komparatoren für Kurzschlusserkennung
- -3-dB-Bandbreite mit einer Last von 0,22 μF: 124 Hz
Applikationen
- Haptische Treiber
- Leistungsverstärker
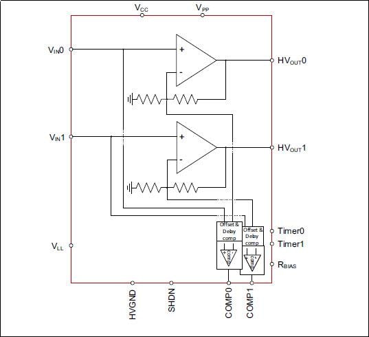
Blockdiagramm
Veröffentlichungsdatum: 2022-08-25
| Aktualisiert: 2022-09-12
