Microchip Technology HV96001 LED-Controller

Die LED-Controller HV96001 von Microchip Technology sind flimmerfreie LED-Controller und verbesserten (digitalen) PWM-Dimm- und analogen Dimmfähigkeiten. Diese LED-Treiber sind für Offline-Beleuchtungsanwendungen konzipiert, die eine breite Dimmfähigkeit erfordern. Durch Anpassung der Ausgangsspannung der AC-DC-Wandlerstufe sorgen die LED-Controller HV96001 für eine hohe Umwandlungseffizienz über einen breiten LED-Lastspannungsbereich. Diese LED-Controller sind auch in der Lage, die LED-Stromamplitude präzise zu steuern, wodurch eine konsistente Farbtemperatur erreicht wird. Die LED-Controller HV96001 verfügen über zwei Feedback-Regler, darunter einen Aufwärtsregler zur Steuerung der LED-Stromamplitude und einen Sperrwandler zur Steuerung der Flyback-Ausgangsspannung. Die LED-Controller HV96001 bieten eine Fehlerwiederherstellung mit automatischer Wiederholungsverzögerung, die über einen Timing-Kondensator eingestellt wird, sowie eine Kurzschlusssicherung des Ausgangs mit automatischer Wiederholungsverzögerung. Diese LED-Controller von Microchip Technology eignen sich hervorragend für den Einsatz in Offline-LED-Beleuchtungsanwendungen mit einer breiten Palette von PWM-Dimmen und linearem Dimmen.

Merkmale

  • Breiter Eingangsspannungsbereich: 8 V bis 60 V
  • Lineare (Analog)-Verdunkelung:
    • Mit einer großen Auswahl an Amplitudensteuerungen des LED-Stroms
  • (Digitales) Pulsweitenmodulations(PWM)-Dimmen
    • Dimmt bis zu 0,01 % und weniger
    • Mit PWM-Pulsbreite von weniger als 150 ns
    • PWM-Dimmfrequenz von bis zu 20 kHz
  • Sperrwandler
    • Mit automatischer Anpassung der Ausgangsspannung zur Aufrechterhaltung einer hohen Systemeffizienz
  • Aufwärtswandler
    • Breite Ausgangsspannungswelligkeit von nahezu Null für einen LED-Strom ohne Welligkeit
    • Welligkeitsunterdrückung 100 Hz/120 Hz
    • 200 kHz feste Schaltfrequenz
  • VDD -Regler
    • 60 V Eingangsspannung/5 V Ausgangsspannung
    • 10-mA-Antrieb für die Versorgung von externen Lasten
  • Fehlerwiederherstellung mit automatischer Wiederholungsverzögerung durch Timing-Kondensator
  • Unterspannungserkennung von
    • VDD -Spannung
    • Versorgungsspannung (Flyback-Ausgangsspannung)
  • Überspannungserkennung von
    • LED-Lastspannung (Aufwärtsausgangsspannung)
  • Überstromerkennung von
    • Lastschalterstrom
  • Bei Null-bleibende Erkennung von:
    • DIM-Eingangssignal
  • Kurzschluss-Sicherung des Ausgangs mit automatischer Wiederholungsverzögerung

Applikationen

  • Offline-LED-Beleuchtungsapplikationen mit einem großen Bereich für die PWM- und Linear-Verdunkelung

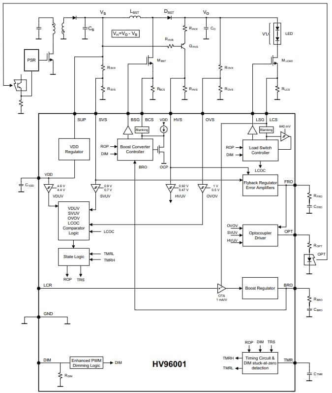
Blockdiagramm

Blockdiagramm - Microchip Technology HV96001 LED-Controller

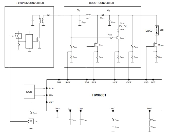
Typische Applikations-Schaltung

Applikations-Schaltungsdiagramm - Microchip Technology HV96001 LED-Controller
Veröffentlichungsdatum: 2020-01-21 | Aktualisiert: 2024-07-09