Microchip Technology MCP19114/MCP19115 Synchrone Low-Side PWM-Controller
Die MCP19114/MCP19115 synchronen Low-Side PWM-Controller von Microchip sind analog-basierte Komponenten im Mittelspannungsbereich (4,5-42V) mit integriertem 8-Bit-PIC™-Mikrocontroller. Diese Microchip-Produktfamilie kombiniert die Leistung einer High-Speed-Analoglösung inklusive hocheffizienter und schneller Einschwingzeit mit der Konfigurierbarkeit und Kommunikationsschnittstelle einer digitalen Lösung. Die Kombination dieser Lösungen schafft eine neue Gerätefamilie, die anhand der Stärken beider Technologien für verbesserte Kosteneffektivität, Konfigurierbarkeit und hochperformante Leistungswandlung sorgt.Merkmale
- Wide Operating Voltage Range: 4.5-42V
- Analog Peak-Current Mode Pulse-Width Modulation (PWM) Control
- Integrated 8-Bit PIC® Microcontroller
- Significant Configurability: Adjustable Output Voltage, Switching Frequency, MOSFET Deadtime, I2C Communication Interface
- Integrated, Synchronous Low-Side MOSFET Drivers
- Minimal External Components Needed
- Custom Algorithm Support
- Topologies Supported: Boost, SEPIC, Flyback, and Cuk
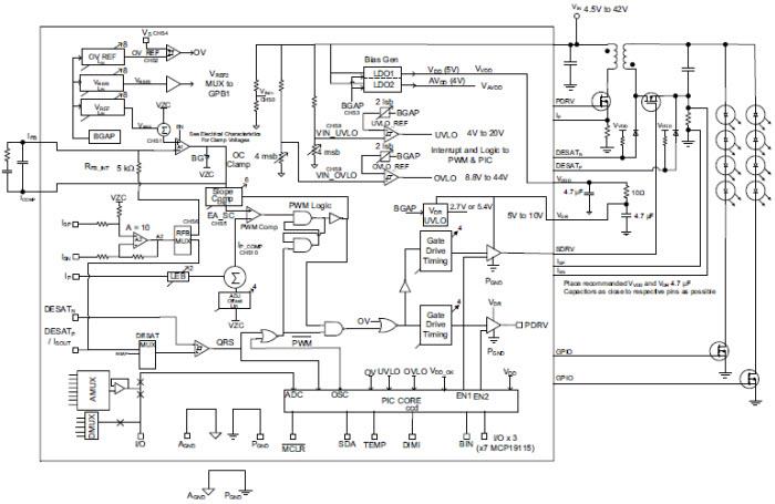
Block Diagram
Veröffentlichungsdatum: 2014-06-04
| Aktualisiert: 2022-03-11
