Microchip Technology PIC18F Hochleistungs-Mikrocontroller
Die Hochleistungs-Mikrocontroller PIC18F von Microchip kombinieren einen großen Flash-/EE-/RAM-Speicher, eine umfassende Peripherieintegration, XLP- und 5V-Unterstützung für eine Vielzahl von Universal-Applikationen. Diese 28/40/44-Pin-Bauteile liefern eine Core-unabhängige Peripherie wie CWG, WWDT, CRC/Speicherscan, Hardware-CVD, Nulldurchgangs-Erkennung und Peripherie-Pinauswahl. Dadurch wird eine größere Flexibilität beim Design und geringere Systemkosten erzielt.The Microchip Technology PIC18F MCUs are available in SOIC-28, PDIP-40, and TQP-44 package options for design flexibility.
Merkmale
- C-Compiler-optimierte RISC-Architektur
- Nur 83 Anweisungen
- Betriebsgeschwindigkeit:
- 64 MHz DC-Takteingang
- 62,5 ns Befehlsablauf (min.)
- Programmierbares Interrupt mit zwei Prioritätsstufen
- Deep-Hardware-Stapel mit 31 Ebenen
- 8-Bit-Timer (TMR2/4/6) mit Hardwarebegrenzungs-Timer (HLT)
- Vier 16-Bit-Timer (TMR0/1/3/5)
- Stromsparendes Power-On Reset (POR)
- Power-up-Timer (PWRT)
- Spannungsabfall-Reset (Brown-Out-Reset, BOR)
- Stromsparende BOR-Option (LPBOR)
- Programmierbarer Code-Schutz
- Watchdog-Timer mit Fenster (WWDT):
- Timer-Überwachung von Über- und Unterlaufereignissen
- Variable Pre-Scaler-Auswahl
- Variable Fenstergrößenauswahl
- Alle Quellen sind in der Hardware oder Software konfigurierbar
Videos
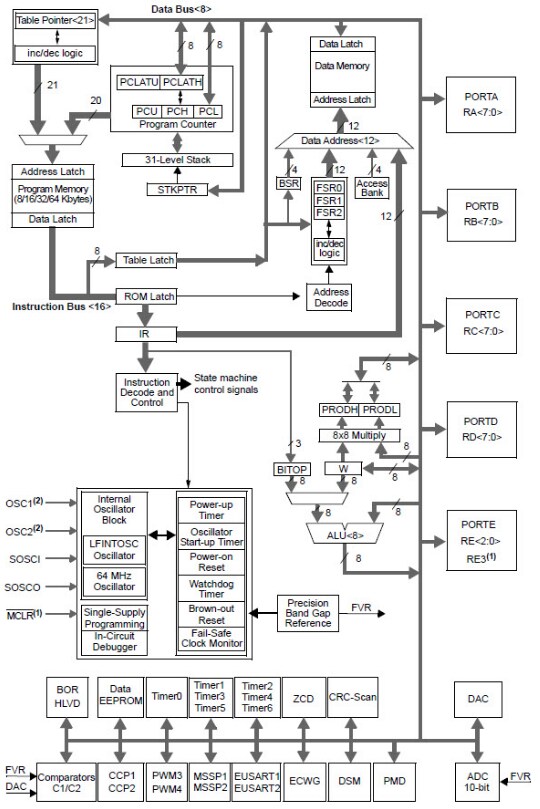
Blockdiagramm
Veröffentlichungsdatum: 2017-03-01
| Aktualisiert: 2022-03-11
