Microsemi / Microchip Le87511 Einkanal-Leitungstreiber
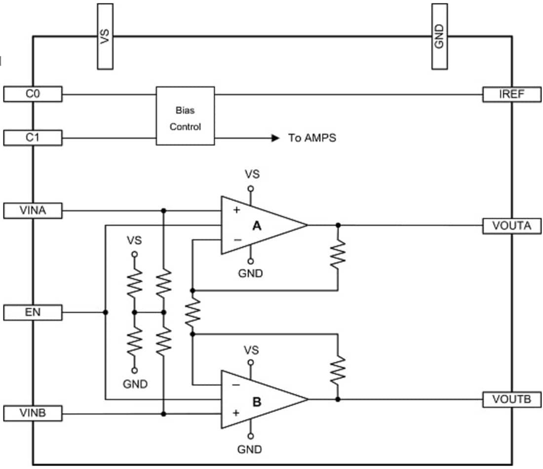
Der Microsemi/Microchip Le87511 Einkanal-Leitungstreiber ist für den Einsatz in Hausnetzwerk-G-hn-Netzleitungs-Kommunikationssystemen ausgelegt. Der Le87511 enthält zwei Breitbandverstärker, die mit dem HV30 bipolaren SOI-Prozess von Microsemi für einen geringen Stromverbrauch ausgelegt sind. Die Leitungstreiber-Gain ist intern festgelegt. Die Verstärker werden von einer Einzelversorgung betrieben. Der Bauteil kann auf eine von drei voreingestellten Vorspannungsstufen programmiert werden, um die Leistung und das Betriebsverhalten zu optimieren. Ein Deaktivierungszustand zwingt den Leitungstreiber in einen stromsparenden Modus mit hoher Impedanz für Empfangsübertragungen.Merkmale
- Hohe Spannungsgain: 25 dB
- Betrieb bis zu 86 MHz
- Betrieb der Klasse AB
- Geringer Stromverbrauch
- Kann eine Leitungsimpedanz zwischen 50 Ω bis 200 Ω ansteuern
- Aktivierungs-/Deaktivierungssteuerung
- Kleines 16-Pin-QFN-Gehäuse von 4 x 4 mm
- RoHS-konform
Applikationen
- Stromleitungs-Kommunikation (SPS)
- Heimnetzwerke
- HPNA
- G.HN
Blockdiagramm
Veröffentlichungsdatum: 2019-10-30
| Aktualisiert: 2023-06-14
