Microsemi / Microchip Le87557 Einkanal-Differentialverstärker
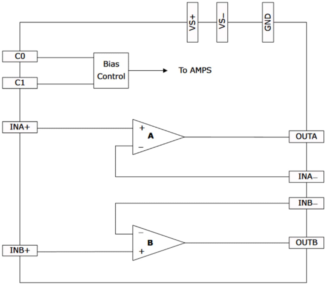
Der Microsemi/Microchip Le87557 Einkanal-Differentialverstärker ist zur Ansteuerung der vollen Rate von VDSL2-, ADSL2+- und SPS-Hochleistungssignalen ausgelegt. Das Le87557 Bauteil enthält zwei Breitbandverstärker, die mit dem HV15 bipolaren SOI-Prozess von Microsemi für einen Hochleistungsausgang mit geringem Stromverbrauch ausgelegt sind. Die Leitungstreiber-Gain wird extern im Bauteil eingestellt und kann von einer einzelnen Hochspannungsversorgung oder Dual-Versorgung betrieben werden. Der Bauteil kann auf eine von drei voreingestellten Vorspannungsstufen programmiert werden, um die Leistung und das Betriebsverhalten zu optimieren. Darüber hinaus verfügt der Leitungstreiber über einen Abschaltzustand, der einen niedrigen Stromverbrauch und einen hohen Impedanzmodus für den Empfang von Übertragungen oder den Leerlaufbetrieb erzwingt. Die Steuerpins reagieren auf Eingangspegel, die mit einem Standard-GPIO erzeugt werden können, aber tolerant gegenüber höheren Spannungslogik-Pegeln sind.Merkmale
- Zur Ansteuerung der vollen Rate von VDSL2-, ADSL2+- und SPS-Hochleistungssignalen ausgelegt
- Enthält zwei Breitbandverstärker
- Die Gain des Leitungstreibers wird extern im Bauteil eingestellt
- Wird von einer einzelnen Hochspannungsversorgung oder Dual-Versorgung betrieben
- Auf eine von drei voreingestellten Vorspannungsstufen programmiert, um die Leistung und das Betriebsverhalten zu optimieren.
- Abschaltzustand, der einen niedrigen Stromverbrauch und einen hohen Impedanzmodus für den Empfang von Übertragungen oder den Leerlaufbetrieb erzwingt
- Die Steuerpins reagieren auf Eingangspegel, die mit einem Standard-GPIO erzeugt werden können
Applikationen
- VDSL2-Leitungstreiber
- ADSL2+-CPE-Leitungstreiber
- G.SHDSL-, HDSL2-Leitungstreiber
- Stromleitungs-Kommunikation (SPS)
Blockdiagramm
Veröffentlichungsdatum: 2019-10-30
| Aktualisiert: 2023-06-20
