Microchip Technology HV2605/HV2705 16-Kanal Analogschalter
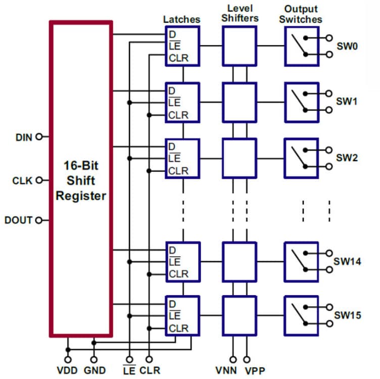
Microchip HV2605/HV2705 16-Kanal Analogschalter sind 16-Kanal-Hochspannungs-Analogschalter-ICs mit geringer Ladungsinjektion für Anwendungen, die eine von Niedervoltkontrollsignalen gesteuerte Hochspannungsschaltung benötigen, wie bei medizinischer Ultraschall-Bildgebung und anderen piezoelektrischen Wandlertreibern. Die eingehenden Daten werden in ein 16-Bit-Schieberegister verschoben, das in einem 16-Bit-Latch zwischengespeichert werden kann. Um eventuelles Clock-Feed-through-Rauschen zu reduzieren, sollte der Latch-Freigabe-Riegel solange auf „High“ stehen, bis alle Bits eingetaktet sind Die Daten werden bei steigender Taktflanke eingetaktet. Unter Verwendung von HVCMOS-Technologie kombiniert das Gerät bilaterale Hochspannungs-DMOS-Schalter mit CMOS-Logik mit geringem Stromverbrauch für eine effiziente Steuerung von analogen Hochspannungs-Kontrollsignalen.Merkmale
- HVCMOS technology for high performance
- 16-channel high voltage analog switch
- 3.3V input logic level compatible
- 20MHz data shift clock frequency
- Very low quiescent power dissipation (-10μA)
- Low parasitic capacitance
- DC to 50MHz small-signal frequency response
- -60dB typical off-isolation at 5.0MHz
- CMOS logic circuitry for low power
- Low harmonic distortion
- Cascadable serial data register with latches
- Flexible operating supply voltages
Applikationen
- Medical ultrasound imaging
- NDT metal flaw detection
- Piezoelectric transducer drivers
- Optical MEMS modules
HV2605 Block Diagram
HV2705 Block Diagram
Veröffentlichungsdatum: 2013-05-22
| Aktualisiert: 2022-03-11
