Mikroe MIKROE-2883 Cap Extend 3 Click
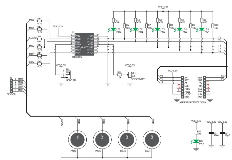
Das MikroElektronika MIKROE-2883 Cap Extend 3 Click verfügt über vier kapazitive Sensorpads, die eine Berührung durch verschiedene Materialien hindurch erfassen können. Dieses Click-Board verwendet die Metall-über-kapazitive-Touch-Technologie und kann Berührungen durch Kunststoff, Holz und sogar Metall erfassen. Darüber hinaus verfügt dieses Click-Board über einen Steckverbinder für den Anschluss von externen Sensoren. Dieses Click Board ermöglicht die Umsetzung aller Arten von Mensch-Maschine-Schnittstellen und die Integration der berührungsempfindlichen Tasten in verschiedene Arten von Vorderseitenpanelen.Das MIKROE-2883 Click verfügt über den MTCH105 Näherungs-/Touch-Controller mit aktiver Bewachungsfunktion. Der MTCH105 IC verwendet einen hochentwickelten Abtastungs-Optimierungsalgorithmus, um Rauschen vom Signal aktiv zu dämpfen. Das MIKROE-2883 Click verfügt über eine mehrstufige aktive Rauschunterdrückungsfilterung und einen automatischen Umgebungsausgleich. Dieses Click verfügt über ein hohes Signal-Rausch-Verhältnis (SNR) und bietet Unterstützung für zahlreiche Formen und Größen von Sensor-Pads. Dieses Click-Board kann als Ersatz für Tasten oder Schalter, Lichtschalter, Büroausstattung und Spielzeuge sowie für die Aktivierung der Hintergrundbeleuchtung von Anzeigen und Tastaturen verwendet werden.
Merkmale
- MTCH105 On-board-5-Kanal Näherungs-/Touch-Controller
- Mehrstufige aktive raucharme Unterdrückungsfilter
- Automatischer Umgebungsausgleich
- Hohes Signal-Rausch-Verhältnis (SNR)
- Kann Berührungen durch verschiedene Materialien und Metallplatten hindurch erfassen
- Universal-Eingangs/-Ausgangsschnittstellen (GPIO)
- Eingangsspannung von 3,3 V
- Abmessungen 57,15 mm x 25,4 mm
Applikationen
- Ersatz für Tasten oder Schalter
- Lichtschalter, Büroausstattung und Spielzeug
- Aktivierung der Hintergrundbeleuchtung von Anzeige und Tastatur
MIKROE-2883 Cap Extend 3 Click Draufsicht
Schaltplan MIKROE-2883 Cap Extend 3 Click
Veröffentlichungsdatum: 2018-03-15
| Aktualisiert: 2022-08-17
